NTN KR22XLL軸承技術規格
| 類型 | 凸輪從動軸承 |
| 材質 | 淬透鋼 |
| 螺紋類型 | 公制 |
| 保持架材質 | 壓制鋼 |
| 極限轉速-油潤滑 | 10000轉/分鐘 |
| 極限轉速-脂潤滑 | 10000轉/分鐘 |
| 滾子型式 | 圓柱型 |
| 螺柱類型 | 公制 |
| 軸承類型 | 滾針軸承 |
| 外圈類型 | 圓柱型 |
| 附件 | 雙面密封 |
| 驅動裝置型式 | 插入式 |
| 結構 | 單列 |
| 扭矩 | 14.0 N ·m |
| 基本額定靜載荷 | 1500 lbf 6650 N |
| 基本額定動載荷 | 1190 lbf 5300 N |
| 軌道額定載荷 | 1160 lbf 5150 N |
| 重量 | 0.101 lb 0.046 kg |
| 應用溫度范圍 | -40 to 250 oF -40 to 120 oC |
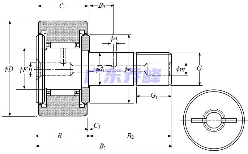
NTN KR22XLL軸承尺寸規格
| 凸輪從動螺柱式滾輪軸承 - 圓柱內徑,KR..LL型 - 尺寸 | |
| G | M10x1.25 |
| B1 | 1.4173 in 36.000 mm |
| B2 | 0.9055 in 23.000 mm |
| D | 0.8661 in 22.000 mm |
| D公差 | 0/-0.0020 in 0/-0.050 mm |
| B | 0.5118 in 13.000 mm |
| C | 0.4724 in 12.000 mm |
| d1 | 0.3937 in 10.000 mm |
| d1公差 | 0/-0.0006 in 0/-0.015 mm |
| G1 | 0.4724 in 12.000 mm |
| e | 0.6693 in 17.000 mm |
| F | 0.4724 in 12.000 mm |
| C1 | 0.0236 in 0.600 mm |
| n | 0.1575 in 4.000 mm |
| m | 0.1575 in 4.000 mm |
| 注油嘴尺寸 | NIP-B4 |
NTN KR22XLL軸承尺寸圖
NTN軸承推薦
| NTN W693ZZ軸承 | 描述:軸承型號:W693ZZ,單列深溝球軸承 - 雙面防塵蓋 |
| NTN BL214Z軸承 | 描述:軸承型號:BL214Z,單列深溝球軸承 - 單面防塵蓋 |
| NTN ML7006HV軸承 | 描述:軸承型號:ML7006HV,高速單列角接觸球軸承 - 高精度 |
| NTN 7210DB軸承 | 描述:軸承型號:7210DB,雙聯角接觸球軸承 - 背對背配對 |
| NTN 87737/87111軸承 | 描述:軸承型號:87737/87111,圓錐滾子軸承 - 英制系列和J系列 |
| NTN 593軸承 | 描述:軸承型號:593,圓錐滾子軸承內圈 - 英制系列和J系列 |
| NTN 572軸承 | 描述:軸承型號:572,圓錐滾子軸承外圈 - 英制系列和J系列 |
| NTN NU215G1軸承 | 描述:軸承型號:NU215G1,圓柱滾子軸承 -可分離型,普通內圈,外圈帶兩個加強筋 - NU型 |
| NTN NH2332E軸承 | 描述:軸承型號:NH2332E,圓柱滾子軸承帶單擋邊內圈帶外圈&滾子組件,斜擋圈 - NH系列 |
| NTN KRV40XH軸承 | 描述:軸承型號:KRV40XH,凸輪從動螺柱式滾輪軸承 - 圓柱內徑,KRV..H型 |
進口軸承推薦
| NTN 629軸承 | 描述:0.019 kg,單列深溝球軸承 |
| FAG 23256-BEA-K-MB1軸承 | 描述:144 kg,調心滾子軸承 |
| FAG 20332MB軸承 | 描述:31.3 kg,調心滾子軸承 |
| FAG F-628000.SPL軸承 | 描述:0 kg, |
| FAG 6214-H-SN-C3軸承 | 描述:1.07 kg,單列深溝球軸承 |
MCGILL軸承推薦
| MCGILL CYR1-7/8S軸承 | 基本尺寸,內徑:12.70000mm,外徑:47.63000mm,厚度:25.40000mm。 |
| MCGILL PCF3軸承 | 基本尺寸,內徑:0.00000mm,外徑:3.00000mm,厚度:2.00000mm。 |
| MCGILL BCCF2-1/4SB軸承 | 基本尺寸,內徑:0.00000mm,外徑:57.15000mm,厚度:31.75000mm。 |
| MCGILL MR28+MI22軸承 | 基本尺寸,內徑:1.75000mm,外徑:2.31250mm,厚度:1.25000mm。 |
| MCGILL BCCFE1-5/8SB軸承 | 基本尺寸,內徑:0.00000mm,外徑:41.28000mm,厚度:22.23000mm。 |

