NTN KRV40XH軸承技術規格
| 類型 | 凸輪從動軸承 |
| 材質 | 淬透鋼 |
| 螺紋類型 | 公制 |
| 保持架材質 | 無 |
| 極限轉速-油潤滑 | 6000轉/分鐘 |
| 極限轉速-脂潤滑 | 4500轉/分鐘 |
| 滾子型式 | 圓柱型 |
| 螺柱類型 | 公制 |
| 軸承類型 | 滾針軸承 |
| 外圈類型 | 圓柱型 |
| 附件 | 開式 |
| 驅動裝置型式 | 六角頭 |
| 結構 | 單列 |
| 扭矩 | 76.0 N ·m |
| 基本額定靜載荷 | 9450 lbf 42000 N |
| 基本額定動載荷 | 4350 lbf 19400 N |
| 軌道額定載荷 | 3250 lbf 14500 N |
| 重量 | 0.556 lb 0.252 kg |
| 應用溫度范圍 | -40 to 250 oF -40 to 120 oC |
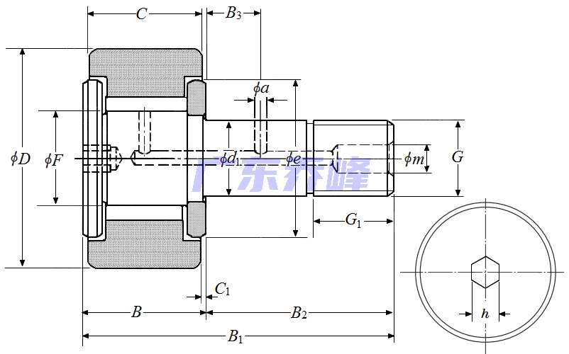
NTN KRV40XH軸承尺寸規格
| 凸輪從動螺柱式滾輪軸承 - 圓柱內徑,KRV..H型 - 尺寸 | |
| G | M18x1.5 |
| B1 | 2.2835 in 58.000 mm |
| B2 | 1.4370 in 36.500 mm |
| D | 1.5748 in 40.000 mm |
| D公差 | 0/-0.0020 in 0/-0.050 mm |
| B | 0.8465 in 21.500 mm |
| C | 0.7874 in 20.000 mm |
| d1 | 0.7087 in 18.000 mm |
| d1公差 | 0/-0.0007 in 0/-0.018 mm |
| G1 | 0.7480 in 19.000 mm |
| e | 1.2598 in 32.000 mm |
| B3 | 0.3150 in 8.000 mm |
| a | 0.1181 in 3.000 mm |
| F | 0.8661 in 22.000 mm |
| C1 | 0.0315 in 0.800 mm |
| h | 0.2362 in 6.000 mm |
| m | 0.2362 in 6.000 mm |
| 注油嘴尺寸 | NIP-B6 |
NTN KRV40XH軸承尺寸圖
NTN軸承推薦
| NTN 6012ZNRC3軸承 | 描述:軸承型號:6012ZNRC3,單列深溝球軸承 - 單面防塵蓋帶止動環 |
| NTN 6814C3軸承 | 描述:軸承型號:6814C3,單列深溝球軸承 - 開式 |
| NTN 6030LU軸承 | 描述:軸承型號:6030LU,單列深溝球軸承 - 單面密封(接觸式橡膠密封) |
| NTN 8505C3軸承 | 描述:軸承型號:8505C3,單列深溝球軸承 - 單面密封(接觸式橡膠密封),8000系列 |
| NTN EC-6301ZZC3軸承 | 描述:軸承型號:EC-6301ZZC3,膨脹補償軸承 - 雙面防塵蓋 |
| NTN 05075/05185軸承 | 描述:軸承型號:05075/05185,圓錐滾子軸承 - 英制系列和J系列 |
| NTN NF330軸承 | 描述:軸承型號:NF330,圓柱滾子軸承 -可分離型內圈帶兩個加強筋,外圈帶一個加強筋 |
| NTN WS87418軸承 | 描述:軸承型號:WS87418,推力滾子軸承內圈 |
| NTN NACV24LL軸承 | 描述:軸承型號:NACV24LL,擋圈型滾輪軸承 - 帶內圈,雙面密封,NACV型,球面外圈 |
| NTN UELFL305D1軸承 | 描述:軸承型號:UELFL305D1,雙螺栓菱形法蘭式軸承座單元,鑄造外殼,帶偏心鎖緊套,UELFL型 |
進口軸承推薦
| IBC 7014C.TR.DUL.P2軸承 | 描述:1.18 kg 單列角接觸球軸承 |
| FAG 23228-E1A-K-M-C3軸承 | 描述:18 kg,調心滾子軸承(X-life品質) |
| NTN 16026軸承 | 描述:2.3177 kg,單列深溝球軸承 |
| NSK 24024CAME4C3S11軸承 | 描述:5.45 kg, |
| FAG 6000.2RSR.L77軸承 | 描述:0.02 kg,單列深溝球軸承 |
MCGILL軸承推薦
| MCGILL ROLLWAY-NJ2218EMC3軸承 | 基本尺寸,內徑:90.00000mm,外徑:160.00000mm,厚度:40.00000mm。 |
| MCGILL GR116+MI96軸承 | 基本尺寸,內徑:7.25000mm,外徑:9.12500mm,厚度:3.00000mm。 |
| MCGILL BCF2-1/2SB軸承 | 基本尺寸,內徑:0.00000mm,外徑:63.50000mm,厚度:38.10000mm。 |
| MCGILL GR36+MI30軸承 | 基本尺寸,內徑:2.25000mm,外徑:3.00000mm,厚度:1.75000mm。 |
| MCGILL CYRD1-3/8軸承 | 基本尺寸,內徑:0.37500mm,外徑:1.37500mm,厚度:0.75000mm。 |

