NTN UKFL319D1 (when used with H2319X)軸承技術規格
| 類型 | 雙螺栓菱形法蘭式軸承座單元 |
| 軸承類型 | 滾珠軸承 |
| 鎖緊裝置 | 緊定襯套 |
| 密封型式 | 接觸式 |
| 密封圈材質 | 丁腈橡膠 |
| 軸承型號 | UK319D1 |
| 軸承座型號 | FL319D1 |
| 殼體材質 | 鑄鐵 |
| 殼體鑄造型式 | 一體成型 |
| 端蓋類型 | 開式 |
| 性能 | 重型 |
| 基本額定動載荷 | 34500 lbf 153000 N 153.00 kN |
| 基本額定靜載荷 | 26800 lbf 119000 N 119.00 kN |
| 重量 | 49.000 lb 22.000 kg |
| 應用溫度范圍 | -40 to 250 oF -40 to 120 oC |
| 潤滑方式 | 可再潤滑 |
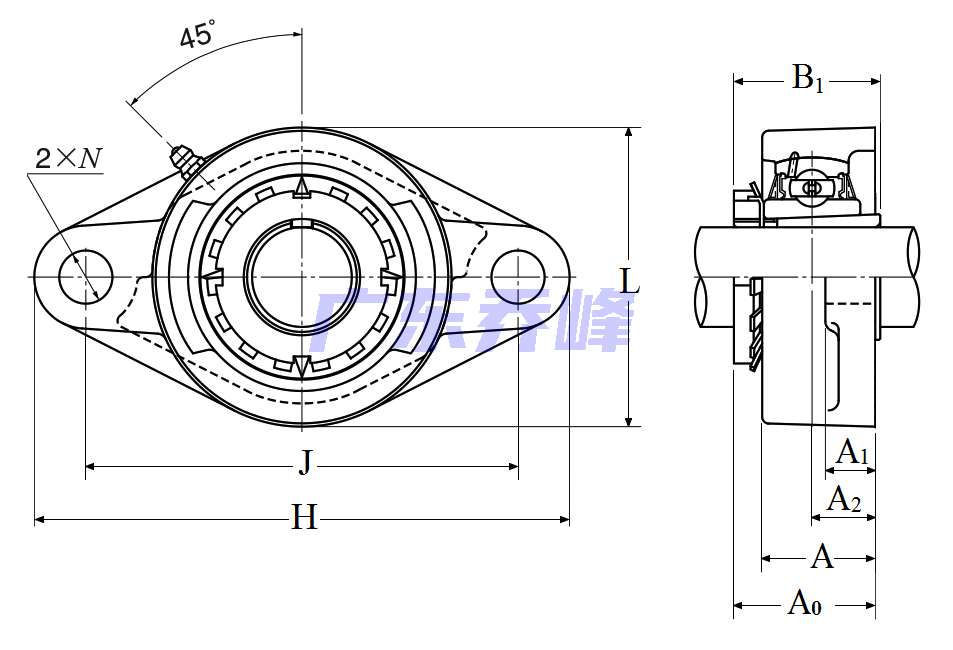
NTN UKFL319D1 (when used with H2319X)軸承尺寸規格
| 雙螺栓菱形法蘭式軸承座單元,鑄造外殼,帶緊定襯套,UKFL型 - 尺寸 | |
| d | 3.3465 in 85.000 mm |
| H | 15.9375 in 405.0 mm |
| L | 9.8437 in 250.0 mm |
| J | 12.9844 in 330.0 mm |
| A | 3.6875 in 94.0 mm |
| A0 | 4.3906 in 111.500 mm |
| A1 | 1.5625 in 40.0 mm |
| A2 | 2.3281 in 59.0 mm |
| N | 1.6094 in 41.0 mm |
| B1 | 3.5430 in 90.000 mm |
| F | 0.5039 in 12.800 mm |
| 注意 | 銷售圖紙反映的是不帶緊定襯套的尺寸,實際上是帶的,因此需要注意。如不能很好把握,可直接致電020-81178086咨詢我們。 |
NTN UKFL319D1 (when used with H2319X)軸承尺寸圖
NTN UKFL319D1 (when used with H2319X)軸承同尺寸型號
| UKFL319D1 (when used with H2319X) | 詳細尺寸,d:85.000mm,h:405.00000mm,b:94.000mm,j:330.000mm,r:250.000mm |
| 共計找到1條記錄 | |
NTN UKFL319D1 (when used with H2319X)軸承相關配件/適用型號
| UK319D1 | 詳細尺寸,d:95.000mm,dD:200.000mm,c:51.000mm,b:67.000mm |
NTN軸承推薦
| NTN 6301ZZC3/EM軸承 | 描述:軸承型號:6301ZZC3/EM,單列深溝球軸承 - 雙面防塵蓋 |
| NTN 6204T2X3C3軸承 | 描述:軸承型號:6204T2X3C3,單列深溝球軸承 - 開式 |
| NTN 7015HVDUJ84軸承 | 描述:軸承型號:7015HVDUJ84,雙聯角接觸球軸承,高精度 - 萬能平頂軸承 |
| NTN 3767/3726軸承 | 描述:軸承型號:3767/3726,圓錐滾子軸承 - 英制系列和J系列 |
| NTN JM719149軸承 | 描述:軸承型號:JM719149,圓錐滾子軸承內圈 - 英制系列和J系列 |
| NTN W61018CA軸承 | 描述:軸承型號:W61018CA,普通外圈,不帶滾子 |
| NTN N322ET2XC3軸承 | 描述:軸承型號:N322ET2XC3,圓柱滾子軸承 -內圈帶兩個加強筋,可分離型,普通外圈 - N型 |
| NTN KR19FLL軸承 | 描述:軸承型號:KR19FLL,凸輪從動螺柱式滾輪軸承 - 球面外圈,KR..LL型 |
| NTN 1R55X65X30軸承 | 描述:軸承型號:1R55X65X30,內圈 |
| NTN C-UCFL306D1軸承 | 描述:軸承型號:C-UCFL306D1,雙螺栓菱形法蘭式軸承座單元,鑄造外殼,帶緊定螺釘,鑄造防塵蓋,開式端蓋,UCFL型 |
進口軸承推薦
| FAG 22318-E1-TVPB-C3軸承 | 描述:8.06 kg,調心滾子軸承(X-life品質) |
| RHP 6201Z YC C3 SD2軸承 | 描述:0.037 kg,單列深溝球軸承 |
| SKF BS2-2220-2CS5W/C3VT143B軸承 | 描述:5.5 kg,調心滾子軸承 |
| KOYO 6201 2RU CM軸承 | 描述:0.035 kg,單列深溝球軸承 |
| SKF 6306-2Z/C4WT軸承 | 描述:0.35 kg,單列深溝球軸承 |
MCGILL軸承推薦
| MCGILL CYRD3軸承 | 基本尺寸,內徑:1.00000mm,外徑:3.00000mm,厚度:1.75000mm。 |
| MCGILL ROLLWAY-NU311EM軸承 | 基本尺寸,內徑:55.00000mm,外徑:120.00000mm,厚度:29.00000mm。 |
| MCGILL SB22218K-W33-SS軸承 | 基本尺寸,內徑:90.00000mm,外徑:160.00000mm,厚度:40.00000mm。 |
| MCGILL MR44SS+MI36軸承 | 基本尺寸,內徑:2.75000mm,外徑:3.50000mm,厚度:1.75000mm。 |
| MCGILL MCF19BX軸承 | 基本尺寸,內徑:0.00000mm,外徑:19.00000mm,厚度:11.00000mm。 |

