NTN UELFU209D1軸承技術規格
| 類型 | 四螺栓方形法蘭式軸承座 |
| 軸承類型 | 滾珠軸承 |
| 鎖緊裝置 | 偏心鎖緊套 |
| 密封型式 | 接觸式 |
| 密封圈材質 | 丁腈橡膠 |
| 軸承型號 | UEL209D1 |
| 軸承座型號 | FU209D1 |
| 殼體材質 | 鑄鐵 |
| 殼體鑄造型式 | 一體成型 |
| 端蓋類型 | 開式 |
| 性能 | 輕型 |
| 基本額定動載荷 | 7300 lbf 32500 N 32.50 kN |
| 基本額定靜載荷 | 4600 lbf 20400 N 20.40 kN |
| 極限轉速 | 3500轉/分鐘 |
| 重量 | 5.290 lb 2.400 kg |
| 應用溫度范圍 | -40 to 250 oF -40 to 120 oC |
| 潤滑方式 | 可再潤滑 |
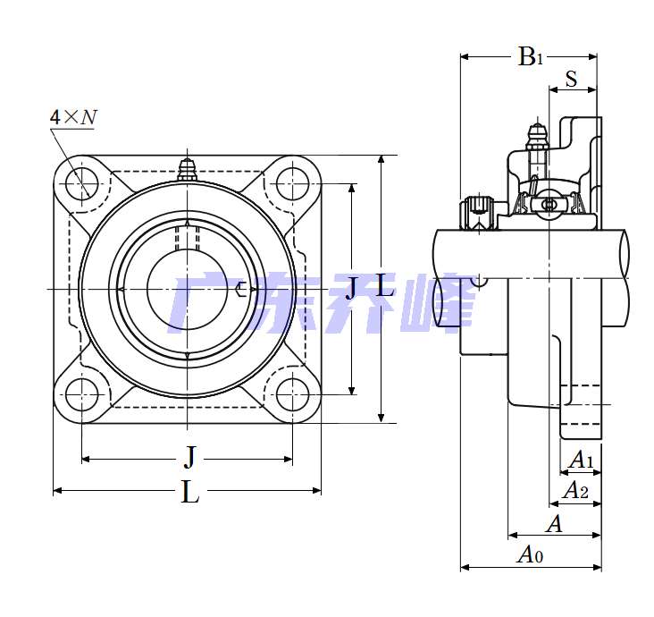
NTN UELFU209D1軸承尺寸規格
| 四螺栓方形法蘭式軸承座,鑄造外殼,帶偏心鎖緊套,UELFU型 - 尺寸 | |
| d | 1.7717 in 45.000 mm |
| L | 137.000 mm5.4 in |
| J | 105.000 mm4.1 in |
| A | 1.5625 in 40.0 mm |
| A0 | 2.3125 in 58.900 mm |
| A1 | 0.7187 in 18.0 mm |
| A2 | 0.9375 in 24.0 mm |
| N | 0.6250 in 16.0 mm |
| B1 | 2.2165 in 56.300 mm |
| S | 0.8425 in 21.400 mm |
| F | 0.1929 in 4.900 mm |
NTN UELFU209D1軸承尺寸圖
NTN UELFU209D1軸承同尺寸型號
| UELFU209D1 | 詳細尺寸,d:45.000mm,c:58.900mm,b:40.000mm,j:105.000mm,r:137.000mm |
| 共計找到1條記錄 | |
NTN UELFU209D1軸承相關配件/適用型號
| UEL209D1 | 詳細尺寸,d:45.000mm,dD:85.000mm,c:22.000mm,b:56.300mm,r:1.500mm |
NTN軸承推薦
| NTN 6314ZZNC3軸承 | 描述:軸承型號:6314ZZNC3,單列深溝球軸承 - 雙面防塵蓋,帶止動環槽 |
| NTN 6021ZN軸承 | 描述:軸承型號:6021ZN,單列深溝球軸承 - 單面防塵蓋帶止動環槽 |
| NTN EC-6300C3軸承 | 描述:軸承型號:EC-6300C3,膨脹補償軸承 - 開式 |
| NTN MLCH7026CV軸承 | 描述:軸承型號:MLCH7026CV,高速,單列混合陶瓷角接觸球軸承,高精度 |
| NTN 7307C軸承 | 描述:軸承型號:7307C,單列角接觸球軸承 - 開式 |
| NTN 7208CG/GNP4軸承 | 描述:軸承型號:7208CG/GNP4,單列角接觸球軸承 - 開式 |
| NTN 30338JXM1DFCS525P6軸承 | 描述:軸承型號:30338JXM1DFCS525P6,圓錐滾子軸承 - 公制系列 |
| NTN M7315EAHL軸承 | 描述:軸承型號:M7315EAHL,帶保持架和滾子的外圈,外圈上帶兩個加強筋和盲銷孔 |
| NTN NJ203C3軸承 | 描述:軸承型號:NJ203C3,圓柱滾子軸承 -可分離型內圈帶一個加強筋,外圈帶兩個加強筋 |
| NTN NJ314軸承 | 描述:軸承型號:NJ314,圓柱滾子軸承 -可分離型內圈帶一個加強筋,外圈帶兩個加強筋 |
進口軸承推薦
| FAG 6306-2Z-C3-X84軸承 | 描述:0.35 kg,單列深溝球軸承 |
| NSK 6912軸承 | 描述:0.203 kg,單列深溝球軸承 |
| NTN 23138EMD1C3軸承 | 描述:33.9 kg,調心滾子軸承 |
| FAG 6303M軸承 | 描述:0.115 kg,單列深溝球軸承 |
| FAG HC6309-C-2BRS-L038-C3軸承 | 描述:0.86 kg, |
MCGILL軸承推薦
| MCGILL GR32RSS+MI25軸承 | 基本尺寸,內徑:2.00000mm,外徑:2.56250mm,厚度:1.25000mm。 |
| MCGILL FCF3軸承 | 基本尺寸,內徑:0.00000mm,外徑:3.00000mm,厚度:2.00000mm。 |
| MCGILL CFH7/8SB軸承 | 基本尺寸,內徑:0.00000mm,外徑:22.23000mm,厚度:12.70000mm。 |
| MCGILL FCF1-1/2SB軸承 | 基本尺寸,內徑:0.00000mm,外徑:1.50000mm,厚度:1.18800mm。 |
| MCGILL MR20N+MI16N軸承 | 基本尺寸,內徑:1.25000mm,外徑:1.75000mm,厚度:1.00000mm。 |

