NTN UELFLU-2軸承技術規格
| 類型 | 雙螺栓菱形法蘭式軸承座單元 |
| 軸承類型 | 滾珠軸承 |
| 鎖緊裝置 | 偏心鎖緊套 |
| 密封型式 | 接觸式 |
| 密封圈材質 | 丁腈橡膠 |
| 軸承型號 | A-UEL211-200D1 |
| 軸承座型號 | FLU211D1V50 |
| 殼體材質 | 鑄鐵 |
| 殼體鑄造型式 | 一體成型 |
| 端蓋類型 | 開式 |
| 表面涂層 | 黑色氧化物 |
| 性能 | 輕型 |
| 基本額定動載荷 | 9800 lbf 43500 N 43.50 kN |
| 基本額定靜載荷 | 6550 lbf 29200 N 29.20 kN |
| 最大擰緊力矩 | 173磅·英寸 |
| 極限轉速 | 2900轉/分鐘 |
| 應用溫度范圍 | -40 to 250 oF -40 to 120 oC |
| 潤滑方式 | 可再潤滑 |
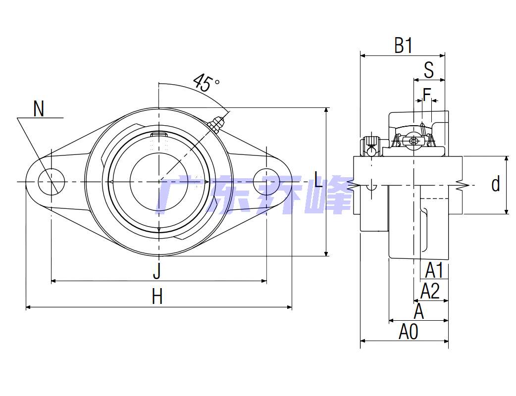
NTN UELFLU-2軸承尺寸規格
| 超一流雙螺栓法蘭式軸承座 - 帶偏心鎖緊套,UELFLU型 - 尺寸 | |
| d | 2 in 50.800 mm |
| H | 8.5313 in 216.7 mm |
| E | 7.2500 in 184.2 mm |
| L | 5.2813 in 134.1 mm |
| A | 1.9375 in 49.2 mm |
| A0 | 2.9375 in 74.600 mm |
| A1 | 0.8125 in 20.6 mm |
| A2 | 1.2188 in 31.0 mm |
| N | 0.6719 in 17.1 mm |
| B1 | 2.8110 in 71.400 mm |
| S | 1.0945 in 27.800 mm |
| F | 0.2362 in 6.000 mm |
NTN UELFLU-2軸承尺寸圖
NTN UELFLU-2軸承同尺寸型號
| ARFLU-2 | 詳細尺寸,d:50.800mm,h:216.70000mm,b:49.200mm,j:184.200mm,r:134.100mm |
| JELFLU-2 | 詳細尺寸,d:50.800mm,h:216.70000mm,b:49.200mm,r:134.100mm |
| UCFLU-2 | 詳細尺寸,d:50.800mm,h:216.70000mm,b:49.200mm,j:184.200mm,r:134.100mm |
| UELFLU-2 | 詳細尺寸,d:50.800mm,h:216.70000mm,b:49.200mm,r:134.100mm |
| UCFLUX-2 | 詳細尺寸,d:50.800mm,h:216.70000mm,b:49.200mm,j:184.200mm,r:134.100mm |
| 共計找到5條記錄 | |
NTN UELFLU-2軸承相關配件/適用型號
| A-UEL211-200D1 | 詳細尺寸,d:50.800mm,dD:100.000mm,c:25.000mm,b:71.400mm,r:2.000mm |
NTN軸承推薦
| NTN 63/28ZZC3軸承 | 描述:軸承型號:63/28ZZC3,單列深溝球軸承 - 雙面防塵蓋 |
| NTN 71907HVUJ84軸承 | 描述:軸承型號:71907HVUJ84,單列角接觸球軸承,高精度 |
| NTN ASS205-100NR軸承 | 描述:軸承型號:ASS205-100NR,帶緊定螺釘的外球面軸承,狹窄內圈 - 圓柱內徑,帶止動環 |
| NTN 6464/6425軸承 | 描述:軸承型號:6464/6425,圓錐滾子軸承 - 英制系列和J系列 |
| NTN 413044e1軸承 | 描述:軸承型號:413044E1,雙列圓錐滾子軸承 |
| NTN 30210X1PX1-G軸承 | 描述:軸承型號:30210X1PX1-G,圓錐滾子軸承內圈 - 公制系列 |
| NTN MU7308CL軸承 | 描述:軸承型號:MU7308CL,圓柱滾子軸承 -內圈帶兩個加強筋,可分離型,普通外圈 |
| NTN MSN1311EV軸承 | 描述:軸承型號:MSN1311EV,圓柱滾子軸承 -可分離型,短內圈帶一個加強筋,外圈帶兩個加強筋 |
| NTN PK14X19X11.8X1軸承 | 描述:軸承型號:PK14X19X11.8X1,滾針和保持架組件 |
| NTN BK1210軸承 | 描述:軸承型號:BK1210,沖壓外圈滾針軸承 - BK型 |
進口軸承推薦
| FAG WS22215-E1-2RSR軸承 | 描述:2.1 kg,調心滾子軸承(X-life品質) |
| NTN 205VVEN/2AQ1軸承 | 描述:0.16 kg,單列深溝球軸承 |
| SKF 23060CCK/HA3C4W33軸承 | 描述:68.3 kg,調心滾子軸承 |
| SKF 6307軸承 | 描述:0.457 kg,開式 35x80x21mm |
| TIMKEN 6326-C3軸承 | 描述:15.15 kg, |
MCGILL軸承推薦
| MCGILL GR24N+MI20N軸承 | 基本尺寸,內徑:1.50000mm,外徑:2.06250mm,厚度:1.00000mm。 |
| MCGILL MCF52ABX軸承 | 基本尺寸,內徑:0.00000mm,外徑:52.00000mm,厚度:24.00000mm。 |
| MCGILL CCF10SB軸承 | 基本尺寸,內徑:0.00000mm,外徑:254.00000mm,厚度:133.35000mm。 |
| MCGILL ROLLWAY-NU316EM軸承 | 基本尺寸,內徑:80.00000mm,外徑:170.00000mm,厚度:39.00000mm。 |
| MCGILL BCF1/2SB軸承 | 基本尺寸,內徑:0.00000mm,外徑:12.70000mm,厚度:953.00000mm。 |

