NTN UELFL320D1軸承技術規格
| 類型 | 雙螺栓菱形法蘭式軸承座單元 |
| 軸承類型 | 滾珠軸承 |
| 鎖緊裝置 | 偏心鎖緊套 |
| 密封型式 | 接觸式 |
| 密封圈材質 | 丁腈橡膠 |
| 軸承型號 | UEL320D1 |
| 軸承座型號 | FL320D1 |
| 殼體材質 | 鑄鐵 |
| 殼體鑄造型式 | 一體成型 |
| 端蓋類型 | 開式 |
| 性能 | 重型 |
| 基本額定動載荷 | 39000 lbf 173000 N 173.00 kN |
| 基本額定靜載荷 | 31500 lbf 141000 N 141.00 kN |
| 極限轉速 | 1500轉/分鐘 |
| 重量 | 64.000 lb 29.000 kg |
| 應用溫度范圍 | -40 to 250 oF -40 to 120 oC |
| 潤滑方式 | 可再潤滑 |
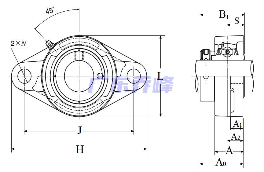
NTN UELFL320D1軸承尺寸規格
| 雙螺栓菱形法蘭式軸承座單元,鑄造外殼,帶偏心鎖緊套,UELFL型 - 尺寸 | |
| d | 3.9370 in 100.000 mm |
| H | 17.3125 in 440.0 mm |
| L | 10.6250 in 270.0 mm |
| J | 14.1719 in 360.0 mm |
| A | 3.6875 in 94.0 mm |
| A1 | 1.5625 in 40.0 mm |
| A2 | 2.3281 in 59.0 mm |
| N | 1.7344 in 44.0 mm |
| B1 | 5.0630 in 128.600 mm |
| S | 1.9685 in 50.000 mm |
| F | 0.5315 in 13.500 mm |
NTN UELFL320D1軸承尺寸圖
NTN UELFL320D1軸承同尺寸型號
| UELFL320D1 | 詳細尺寸,d:100.000mm,h:440.00000mm,b:94.000mm,j:360.000mm,r:270.000mm |
| UCFL320D1 | 詳細尺寸,d:100.000mm,h:440.00000mm,b:94.000mm,j:360.000mm,r:270.000mm |
| 共計找到2條記錄 | |
NTN UELFL320D1軸承相關配件/適用型號
| UEL320D1 | 詳細尺寸,d:100.000mm,dD:215.000mm,c:55.000mm,b:128.600mm,r:3.000mm |
NTN軸承推薦
| NTN BL314ZZC3/EM軸承 | 描述:軸承型號:BL314ZZC3/EM,單列深溝球軸承 - 雙面防塵蓋 |
| NTN 7017CVDUJ84軸承 | 描述:軸承型號:7017CVDUJ84,雙聯角接觸球軸承,高精度 - 萬能平頂軸承 |
| NTN 7219CDB/GMP4軸承 | 描述:軸承型號:7219CDB/GMP4,雙聯角接觸球軸承 - 背對背配對 |
| NTN UC324D1軸承 | 描述:軸承型號:UC324D1,帶緊定螺釘的外球面軸承,寬外圈 - 球面外圈 |
| NTN M1209UX軸承 | 描述:軸承型號:M1209UX,帶保持架和滾子的外圈,一邊帶加強筋&一邊帶擋圈 |
| NTN MRB1312軸承 | 描述:軸承型號:MRB1312,內圈帶一個加強筋,不帶滾子 |
| NTN MA1215TL軸承 | 描述:軸承型號:MA1215TL,圓柱滾子軸承 -可分離型,普通內圈,外圈帶兩個擋圈 |
| NTN MR1222TL軸承 | 描述:軸承型號:MR1222TL,圓柱滾子軸承 -可分離型內圈帶一個加強筋,外圈帶兩個擋圈 |
| NTN 1R35X40X20軸承 | 描述:軸承型號:1R35X40X20,內圈 |
| NTN UKFL315D1 (when used with H2315X)軸承 | 描述:軸承型號:UKFL315D1(配合軸承:H2315X),雙螺栓菱形法蘭式軸承座單元,鑄造外殼,帶緊定襯套,UKFL型 |
進口軸承推薦
| MCGILL SB-22312W33SS軸承 | 描述:2.8 kg,調心滾子軸承 |
| SKF 71920ACD/P4ATBTA軸承 | 描述:2.4 kg, 單列角接觸球軸承 |
| NSK 6328C3E軸承 | 描述:20.9 kg,單列深溝球軸承 |
| SKF 7007ACDGA/P4AW64軸承 | 描述:0.15 kg, 單列角接觸球軸承 |
| NSK 6304DDU NR軸承 | 描述:0.143 kg,單列深溝球軸承 |
MCGILL軸承推薦
| MCGILL CCF2 1/4SB軸承 | 基本尺寸,內徑:0.00000mm,外徑:57.15000mm,厚度:31.75000mm。 |
| MCGILL CCYRD5軸承 | 基本尺寸,內徑:1.75000mm,外徑:5.00000mm,厚度:2.75000mm。 |
| MCGILL ROLLWAY-NJ219EM軸承 | 基本尺寸,內徑:95.00000mm,外徑:170.00000mm,厚度:32.00000mm。 |
| MCGILL SB22204W33SS軸承 | 基本尺寸,內徑:20.00000mm,外徑:47.00000mm,厚度:18.00000mm。 |
| MCGILL CFE3.1/4軸承 | 基本尺寸,內徑:0.00000mm,外徑:82.55000mm,厚度:44.45000mm。 |

