NTN UCPX-2.3/16軸承技術規格
| 類型 | 軸承座 |
| 軸承類型 | 滾珠軸承 |
| 鎖緊裝置 | 緊定螺釘 |
| 密封型式 | 接觸式 |
| 密封圈材質 | 丁腈橡膠 |
| 軸承型號 | A-UCX11-203D1 |
| 軸承座型號 | P212D1V50 |
| 殼體材質 | 鑄鐵 |
| 殼體鑄造型式 | 一體成型 |
| 端蓋類型 | 開式 |
| 表面涂層 | 黑色氧化物 |
| 性能 | 輕型 |
| 基本額定動載荷 | 11800 lbf 52500 N 52.50 kN |
| 基本額定靜載荷 | 8100 lbf 36000 N 36.00 kN |
| 最大擰緊力矩 | 86磅·英寸 |
| 極限轉速 | 2450轉/分鐘 |
| 應用溫度范圍 | -40 to 250 oF -40 to 120 oC |
| 潤滑方式 | 可再潤滑 |
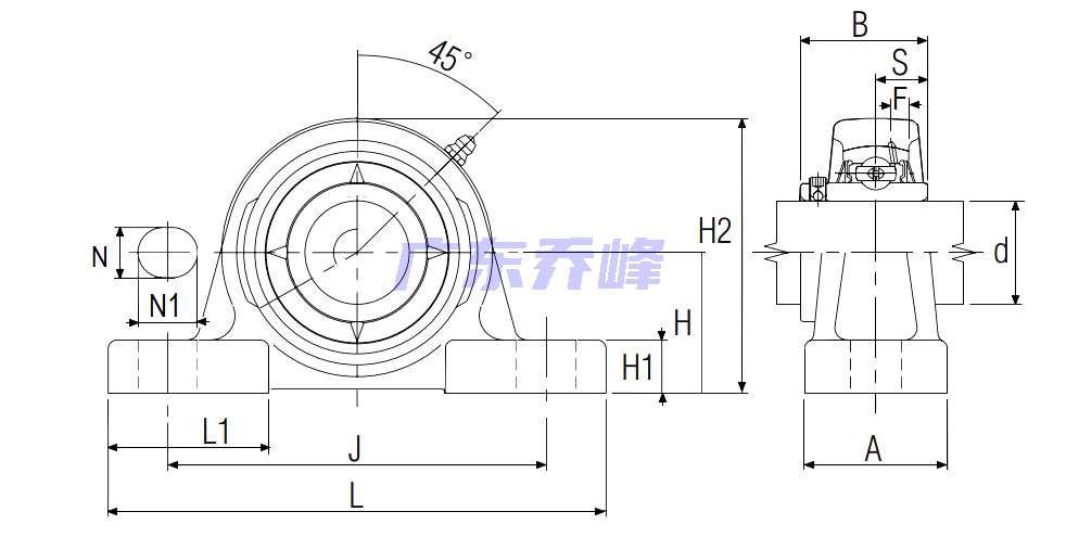
NTN UCPX-2.3/16軸承尺寸規格
| 超一流軸承座帶緊定螺釘,高大基座,UCPX型 - 尺寸 | |
| d | 2-3/16 in 55.563 mm |
| J | 7-13/32 in 188.1 mm |
| L | 9.5000 in 241.3 mm |
| A | 2.7500 in 69.9 mm |
| H | 2-3/4 in 69.9 mm |
| H1 | 0.9688 in 24.6 mm |
| H2 | 5.4375 in 138.1 mm |
| N | 0.7188 in 18.3 mm |
| N1 | 1.0938 in 27.8 mm |
| L1 | 2.7500 in 69.9 mm |
| B | 2.5630 in 65.100 mm |
| S | 1.0000 in 25.400 mm |
| F | 0.2441 in 6.200 mm |
NTN UCPX-2.3/16軸承尺寸圖
NTN UCPX-2.3/16軸承同尺寸型號
| UCPX-2.3/16 | 詳細尺寸,d:55.563mm,h:69.90000mm,b:69.900mm,j:188.100mm,2b:138.100mm,r:241.300mm |
| 共計找到1條記錄 | |
NTN UCPX-2.3/16軸承相關配件/適用型號
| A-UCX11-203D1 | 詳細尺寸,d:55.563mm,dD:110.000mm,c:27.000mm,b:65.100mm,r:2.000mm |
NTN軸承推薦
| NTN 6301ZN軸承 | 描述:軸承型號:6301ZN,單列深溝球軸承 - 單面防塵蓋帶止動環槽 |
| NTN 6205ZC4軸承 | 描述:軸承型號:6205ZC4,單列深溝球軸承 - 單面防塵蓋 |
| NTN 6914Z軸承 | 描述:軸承型號:6914Z,單列深溝球軸承 - 單面防塵蓋 |
| NTN 6017LBNR軸承 | 描述:軸承型號:6017LBNR,單列深溝球軸承 - 單面密封(非接觸式橡膠密封)帶止動環 |
| NTN 7019HVDUJ84軸承 | 描述:軸承型號:7019HVDUJ84,雙聯角接觸球軸承,高精度 - 萬能平頂軸承 |
| NTN BST50X100-1BDTTT軸承 | 描述:軸承型號:BST50X100-1BDTTT,滾珠絲杠用四列角接觸推力球軸承 - DTTT配對,開式,四排承受軸向載荷 |
| NTN 51209軸承 | 描述:軸承型號:51209,單向推力球軸承 |
| NTN 621軸承 | 描述:軸承型號:621,圓錐滾子軸承內圈 - 英制系列和J系列 |
| NTN 32926U軸承 | 描述:軸承型號:32926,圓錐滾子軸承 - 公制系列 |
| NTN E-4R9604軸承 | 描述:軸承型號:E-4R9604,四列圓柱滾子軸承帶空心滾柱&銷式保持架 |
進口軸承推薦
| NTN 63004LLUA C3軸承 | 描述:0.086 kg,單列深溝球軸承 |
| NSK 21309CDKE4C3軸承 | 描述:0.998 kg,調心滾子軸承 |
| FAG 6208K軸承 | 描述:0.367 kg,單列深溝球軸承 |
| NTN 6217ZZ CM軸承 | 描述:1.795 kg,單列深溝球軸承 |
| FAG B7012-E-T-P4S-TBTL軸承 | 描述:1.2 kg, 大型鋼球主軸軸承 B型 |
MCGILL軸承推薦
| MCGILL PCF3軸承 | 基本尺寸,內徑:0.00000mm,外徑:3.00000mm,厚度:2.00000mm。 |
| MCGILL BCCYR1-1/4S軸承 | 基本尺寸,內徑:9.53000mm,外徑:31.75000mm,厚度:19.05000mm。 |
| MCGILL GR12N+MI9N軸承 | 基本尺寸,內徑:0.75000mm,外徑:1.25000mm,厚度:0.75000mm。 |
| MCGILL GR32N+MI26N軸承 | 基本尺寸,內徑:2.00000mm,外徑:2.56250mm,厚度:1.00000mm。 |
| MCGILL BCCF11/16SB軸承 | 基本尺寸,內徑:0.00000mm,外徑:17.46000mm,厚度:11.11000mm。 |

