NTN UCPL-2.3/4軸承技術規格
| 類型 | 軸承座 |
| 軸承類型 | 滾珠軸承 |
| 鎖緊裝置 | 緊定螺釘 |
| 密封型式 | 接觸式 |
| 密封圈材質 | 丁腈橡膠 |
| 軸承型號 | A-UC214-212D1 |
| 軸承座型號 | PL214D1V50 |
| 殼體材質 | 鑄鐵 |
| 殼體鑄造型式 | 一體成型 |
| 端蓋類型 | 開式 |
| 表面涂層 | 黑色氧化物 |
| 性能 | 輕型 |
| 基本額定動載荷 | 13900 lbf 62000 N 62.00 kN |
| 基本額定靜載荷 | 9900 lbf 44000 N 44.00 kN |
| 最大擰緊力矩 | 173磅·英寸 |
| 極限轉速 | 2300轉/分鐘 |
| 應用溫度范圍 | -40 to 250 oF -40 to 120 oC |
| 潤滑方式 | 可再潤滑 |
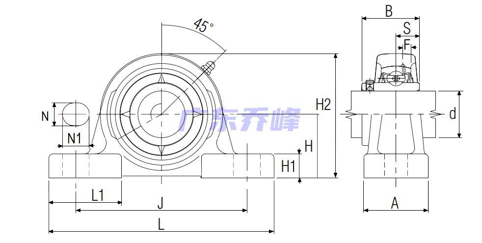
NTN UCPL-2.3/4軸承尺寸規格
| 超一流軸承座帶緊定螺釘,中心低,UCPL型 - 尺寸 | |
| d | 2-3/4 in 69.850 mm |
| J | 8 in 203.2 mm |
| L | 10.4688 in 265.9 mm |
| A | 2.8438 in 72.2 mm |
| H | 3 in 76.2 mm |
| H1 | 1.0625 in 27.0 mm |
| H2 | 6.0625 in 154.0 mm |
| N | 0.8125 in 20.6 mm |
| N1 | 1.3750 in 34.9 mm |
| L1 | 3.0313 in 77.0 mm |
| B | 2.9370 in 74.600 mm |
| S | 1.1890 in 30.200 mm |
| F | 0.3465 in 8.800 mm |
NTN UCPL-2.3/4軸承尺寸圖
NTN UCPL-2.3/4軸承同尺寸型號
| UELPL-2.3/4 | 詳細尺寸,d:69.850mm,h:76.20000mm,b:72.200mm,j:203.200mm,2b:154.000mm,r:265.900mm |
| UCPL-2.3/4 | 詳細尺寸,d:69.850mm,h:76.20000mm,b:72.200mm,j:203.200mm,2b:154.000mm,r:265.900mm |
| 共計找到2條記錄 | |
NTN UCPL-2.3/4軸承相關配件/適用型號
| A-UC214-212D1 | 詳細尺寸,d:69.850mm,dD:125.000mm,c:33.000mm,b:74.600mm,r:2.000mm |
NTN軸承推薦
| NTN R4AZZ軸承 | 描述:軸承型號:R4AZZ,單列深溝球軸承 - 雙面防塵蓋 |
| NTN 6917LLBC3軸承 | 描述:軸承型號:6917LLBC3,單列深溝球軸承 - 雙面密封(非接觸式橡膠密封) |
| NTN 7016DB/GNP5軸承 | 描述:軸承型號:7016DB/GNP5,雙聯角接觸球軸承 - 背對背配對 |
| NTN MU7308L軸承 | 描述:軸承型號:MU7308L,內圈帶滾子帶兩個加強筋 |
| NTN N408軸承 | 描述:軸承型號:N408,圓柱滾子軸承 -內圈帶兩個加強筋,可分離型,普通外圈 - N型 |
| NTN MU1309DV軸承 | 描述:軸承型號:MU1309DV,圓柱滾子軸承 -內圈帶兩個加強筋,可分離型外圈帶一個加強筋 |
| NTN MA1312TL軸承 | 描述:軸承型號:MA1312TL,圓柱滾子軸承 -可分離型,普通內圈,外圈帶兩個擋圈 |
| NTN MU1214UL軸承 | 描述:軸承型號:MU1214UL,圓柱滾子軸承 - 不可分離型,內圈帶兩個加強筋,外圈帶一個加強筋,帶擋圈 |
| NTN KR13T2LLH軸承 | 描述:軸承型號:KR13T2LLH,凸輪從動螺柱式滾輪軸承 - 球面外圈,KR..LLH型 |
| NTN K8X12X13軸承 | 描述:軸承型號:K8X12X13,滾針和保持架組件 |
進口軸承推薦
| NACHI 22210EKC3軸承 | 描述:0.579 kg,調心滾子軸承 |
| FAG HC6304-C4軸承 | 描述:0.144 kg, |
| FAG 6203-C-2HRS-L138-C3>V軸承 | 描述:0.059 kg,新后綴>V可省略,等同于型號6203-C-2HRS-L138-C3 FAG |
| KOYO 23124RHKW33軸承 | 描述:7.422 kg,調心滾子軸承 |
| FAG 21310-E1-XL-K-TVPB軸承 | 描述:1.21 kg,調心滾子軸承(X-life品質) |
MCGILL軸承推薦
| MCGILL MCF-22A-SBX-W軸承 | 基本尺寸,內徑:0.00000mm,外徑:22.00000mm,厚度:12.00000mm。 |
| MCGILL CCF1/2SB軸承 | 基本尺寸,內徑:0.00000mm,外徑:12.70000mm,厚度:9.53000mm。 |
| MCGILL CCFH1-1/2SB軸承 | 基本尺寸,內徑:0.00000mm,外徑:38.10000mm,厚度:22.23000mm。 |
| MCGILL ROLLWAY-NU328EMC3軸承 | 基本尺寸,內徑:140.00000mm,外徑:300.00000mm,厚度:62.00000mm。 |
| MCGILL CF11/16S軸承 | 基本尺寸,內徑:0.00000mm,外徑:17.46000mm,厚度:11.11000mm。 |

