NTN UCF216HT2D1軸承技術規格
| 類型 | 四螺栓方形法蘭式軸承座 |
| 軸承類型 | 滾珠軸承 |
| 鎖緊裝置 | 緊定螺釘 |
| 密封型式 | 接觸式 |
| 密封圈材質 | 丁腈橡膠 |
| 軸承型號 | UC216HT2D1 |
| 軸承座型號 | F216D1 |
| 殼體材質 | 鑄鐵 |
| 殼體鑄造型式 | 一體成型 |
| 端蓋類型 | 開式 |
| 性能 | 輕型 |
| 基本額定動載荷 | 16300 lbf 72500 N 72.50 kN |
| 基本額定靜載荷 | 11900 lbf 53000 N 53.00 kN |
| 極限轉速 | 2000轉/分鐘 |
| 重量 | 17.306 lb 7.850 kg |
| 應用溫度范圍 | -40 to 392 oF -40 to 200 oC |
| 潤滑方式 | 可再潤滑 |
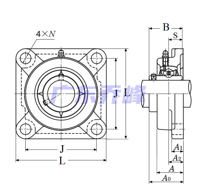
NTN UCF216HT2D1軸承尺寸規格
| 四螺栓方形法蘭式軸承座,鑄造外殼,帶緊定螺釘,UCF型 - 尺寸 | |
| d | 3.1496 in 80.000 mm |
| L | 8.1875 in 208.0 mm |
| J | 6.5000 in 165.0 mm |
| A | 2.2812 in 58.0 mm |
| A0 | 3.2812 in 83.300 mm |
| A1 | 0.8750 in 22.0 mm |
| A2 | 1.3437 in 34.0 mm |
| N | 0.9062 in 23.0 mm |
| B | 3.2520 in 82.600 mm |
| S | 1.3110 in 33.300 mm |
| F | 0.3740 in 9.500 mm |
NTN UCF216HT2D1軸承尺寸圖
NTN UCF216HT2D1軸承同尺寸型號
| UCF216 | 詳細尺寸,d:80.000mm,c:83.300mm,b:58.000mm,j:165.000mm,r:208.000mm |
| UCF216D1 | 詳細尺寸,d:80.000mm,c:83.300mm,b:58.000mm,j:165.000mm,r:208.000mm |
| UCF216HT2D1 | 詳細尺寸,d:80.000mm,c:83.300mm,b:58.000mm,j:165.000mm,r:208.000mm |
| 共計找到3條記錄 | |
NTN UCF216HT2D1軸承相關配件/適用型號
| UC216HT2D1 | 詳細尺寸,d:80.000mm,dD:140.000mm,c:35.000mm,b:82.600mm,r:2.500mm |
NTN軸承推薦
| NTN 6004LUNRC3軸承 | 描述:軸承型號:6004LUNRC3,單列深溝球軸承 - 單面密封(接觸式橡膠密封)帶止動環 |
| NTN 6209LLBN軸承 | 描述:軸承型號:6209LLBN,單列深溝球軸承 - 雙面密封(非接觸式橡膠密封),帶止動環槽 |
| NTN CS205-100D1V14軸承 | 描述:軸承型號:CS205-100D1V14,緊配合式軸承 |
| NTN UC317-304軸承 | 描述:軸承型號:UC317-304,帶緊定螺釘的外球面軸承,寬外圈 - 球面外圈 |
| NTN 51256C3軸承 | 描述:軸承型號:51256C3,單向推力球軸承 |
| NTN NU209EG1C3軸承 | 描述:軸承型號:NU209EG1C3,圓柱滾子軸承 -可分離型,普通內圈,外圈帶兩個加強筋 - NU型 |
| NTN NH320E軸承 | 描述:軸承型號:NH320E,圓柱滾子軸承帶單擋邊內圈帶外圈&滾子組件,斜擋圈 - NH系列 |
| NTN 8E-NK32X52X15-3軸承 | 描述:軸承型號:8E-NK32X52X15-3,機加工滾針軸承不帶內圈 - NK,NKS系列 |
| NTN NA5926軸承 | 描述:軸承型號:NA5926,機加工滾針軸承帶內圈 - NA49.R,NA59,NA69R,NK.R+1R系列 |
| NTN 22205EAD1C4軸承 | 描述:軸承型號:22205EAW33C4,調心滾子軸承 - 圓柱孔&注油槽,222系列 |
進口軸承推薦
| SKF 23028軸承 | 描述:6.206 kg,調心滾子軸承 |
| ROLLWAY 21315MBW33軸承 | 描述:3.75 kg,調心滾子軸承 |
| NACHI 22352EW33C3MY軸承 | 描述:181 kg,調心滾子軸承 |
| SKF 6006TN/C3軸承 | 描述:0.117 kg,單列深溝球軸承 |
| FAG 23026-E1A-M-C4軸承 | 描述:5.83 kg,調心滾子軸承(X-life品質) |
MCGILL軸承推薦
| MCGILL FCF8軸承 | 基本尺寸,內徑:0.00000mm,外徑:8.00000mm,厚度:3.00000mm。 |
| MCGILL CFE2-1/4SB軸承 | 基本尺寸,內徑:0.00000mm,外徑:57.15000mm,厚度:31.75000mm。 |
| MCGILL BCFE5/8SB軸承 | 基本尺寸,內徑:0.00000mm,外徑:15.88000mm,厚度:11.11000mm。 |
| MCGILL MCF72SB軸承 | 基本尺寸,內徑:0.00000mm,外徑:72.00000mm,厚度:29.00000mm。 |
| MCGILL CCYR4-S軸承 | 基本尺寸,內徑:31.75000mm,外徑:101.60000mm,厚度:57.15000mm。 |

