NTN SUCP209軸承技術規格
| 類型 | 軸承座 |
| 軸承類型 | 滾珠軸承 |
| 鎖緊裝置 | 緊定螺釘 |
| 密封型式 | 接觸式 |
| 密封圈材質 | 硅膠 |
| 軸承型號 | SUC209 |
| 軸承座型號 | SP209 |
| 嵌入材質 | 不銹鋼 |
| 殼體材質 | 不銹鋼 |
| 殼體鑄造型式 | 一體成型 |
| 性能 | 正常 |
| 端蓋類型 | 開式 |
| 基本額定動載荷 | 5780 lbf 25700 N 25.70 kN |
| 基本額定靜載荷 | 4680 lbf 20800 N 20.80 kN |
| 極限轉速 | 3100轉/分鐘 |
| 重量 | 6.310 lb 2.860 kg |
| 應用溫度范圍 | -4 to 250 oF -20 to 120 oC |
| 潤滑方式 | 可再潤滑 |
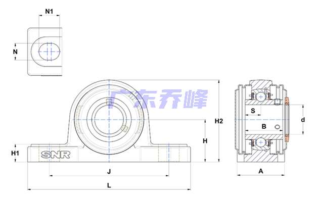
NTN SUCP209軸承尺寸規格
| 軸承座,不銹鋼外殼,帶緊定螺釘,SUCP型 - 尺寸 | |
| d | 1.7717 in 45.000 mm |
| J | 5.7500 in 146.0 mm |
| L | 7.4800 in 190.0 mm |
| A | 2.1300 in 54.0 mm |
| H | 2.1300 in 54.0 mm |
| H1 | 0.7900 in 20.0 mm |
| H2 | 4.2900 in 109.0 mm |
| N | 0.6700 in 17.0 mm |
| N1 | 0.9100 in 23.0 mm |
| B | 1.9370 in 49.200 mm |
| S | 0.7480 in 19.000 mm |
NTN SUCP209軸承尺寸圖
NTN SUCP209軸承同尺寸型號
| SUCP209 | 詳細尺寸,d:45.000mm,h:54.00000mm,b:54.000mm,j:146.000mm,2b:109.000mm,r:190.000mm |
| UELP209D1 | 詳細尺寸,d:45.000mm,h:54.00000mm,b:54.000mm,j:146.000mm,2b:106.000mm,r:190.000mm |
| UCP209HT2D1 | 詳細尺寸,d:45.000mm,h:54.00000mm,b:54.000mm,j:146.000mm,2b:106.000mm,r:190.000mm |
| S-UCP209D1 | 詳細尺寸,d:45.000mm,h:54.00000mm,b:54.000mm,j:146.000mm,be:82.000mm,2b:106.000mm,r:190.000mm |
| UCP209D1 | 詳細尺寸,d:45.000mm,h:54.00000mm,b:54.000mm,j:146.000mm,2b:106.000mm,r:190.000mm |
| SM-UCP209D1 | 詳細尺寸,d:45.000mm,h:54.00000mm,b:54.000mm,j:146.000mm,be:82.000mm,2b:106.000mm,r:190.000mm |
| UCP209 | 詳細尺寸,d:45.000mm,h:54.00000mm,b:54.000mm,j:146.000mm,2b:106.000mm,r:190.000mm |
| 共計找到7條記錄 | |
NTN SUCP209軸承相關配件/適用型號
| SUC209 | 詳細尺寸,d:45.000mm,dD:85.000mm,c:22.000mm,b:49.200mm,r:1.000mm |
NTN軸承推薦
| NTN 6309FT150ZZ軸承 | 描述:軸承型號:6309FT150ZZ,單列深溝球軸承,Topline系列 - 雙面防塵蓋 |
| NTN 1308SK軸承 | 描述:軸承型號:1308K,圓錐孔自調心球軸承 |
| NTN 7005HVDUJ94軸承 | 描述:軸承型號:7005HVDUJ94,雙聯角接觸球軸承,高精度 - 萬能平頂軸承 |
| NTN 71912CV軸承 | 描述:軸承型號:71912CV,單列角接觸球軸承,高精度 |
| NTN M802048/M802011軸承 | 描述:軸承型號:M802048/M802011,圓錐滾子軸承 - 英制系列和J系列 |
| NTN 45285A/45220軸承 | 描述:軸承型號:45285A/45220,圓錐滾子軸承 - 英制系列和J系列 |
| NTN M7320UX軸承 | 描述:軸承型號:M7320UX,帶保持架和滾子的外圈,一邊帶加強筋&一邊帶擋圈 |
| NTN NH306軸承 | 描述:軸承型號:NH306,圓柱滾子軸承帶單擋邊內圈帶外圈&滾子組件,斜擋圈 - NH系列 |
| NTN NU215EG1C3軸承 | 描述:軸承型號:NU215EG1C3,圓柱滾子軸承 -可分離型,普通內圈,外圈帶兩個加強筋 - NU型 |
| NTN MU7307UX軸承 | 描述:軸承型號:MU7307UX,圓柱滾子軸承 - 不可分離型,內圈帶兩個加強筋,外圈帶一個加強筋,帶擋圈 |
進口軸承推薦
| SKF 71917CE/P4ADGA軸承 | 描述:1 kg, 單列角接觸球軸承 |
| NACHI 22328EW33K軸承 | 描述:32.93 kg,調心滾子軸承 |
| FAG 6205-B-2DRS-GQK2-L138-C3軸承 | 描述:0.125 kg,單列深溝球軸承 |
| FAG 6004.P5軸承 | 描述:0.066 kg,單列深溝球軸承 |
| FAG 6201.2ZR軸承 | 描述:0.037 kg,單列深溝球軸承 |
MCGILL軸承推薦
| MCGILL MR80+MI68軸承 | 基本尺寸,內徑:5.00000mm,外徑:6.50000mm,厚度:2.25000mm。 |
| MCGILL BCFE2-1/4S軸承 | 基本尺寸,內徑:0.00000mm,外徑:57.15000mm,厚度:31.75000mm。 |
| MCGILL FCF1-1/2SB軸承 | 基本尺寸,內徑:0.00000mm,外徑:1.50000mm,厚度:1.18800mm。 |
| MCGILL ROLLWAY-E5221B軸承 | 基本尺寸,內徑:105.00000mm,外徑:190.00000mm,厚度:65.10000mm。 |
| MCGILL MCFR-40A-S-TMS1軸承 | 基本尺寸,內徑:0.00000mm,外徑:40.00000mm,厚度:20.00000mm。 |

