NTN SUCFL201軸承技術規格
| 類型 | 雙螺栓菱形法蘭式軸承座單元 |
| 軸承類型 | 滾珠軸承 |
| 鎖緊裝置 | 緊定螺釘 |
| 密封型式 | 接觸式 |
| 密封圈材質 | 硅膠 |
| 軸承型號 | SUC201 |
| 軸承座型號 | SFL204N |
| 嵌入材質 | 不銹鋼 |
| 殼體材質 | 不銹鋼 |
| 殼體鑄造型式 | 一體成型 |
| 端蓋類型 | 開式 |
| 性能 | 正常 |
| 基本額定動載荷 | 2270 lbf 10100 N 10.10 kN |
| 基本額定靜載荷 | 1530 lbf 6800 N 6.80 kN |
| 極限轉速 | 5900轉/分鐘 |
| 重量 | 1.150 lb 0.520 kg |
| 應用溫度范圍 | -4 to 250 oF -20 to 120 oC |
| 潤滑方式 | 可再潤滑 |
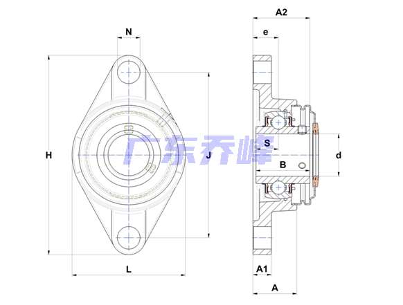
NTN SUCFL201軸承尺寸規格
| 雙螺栓菱形法蘭式軸承座單元,不銹鋼外殼,帶緊定螺釘,SUCFL型 - 尺寸 | |
| d | 0.4724 in 12.000 mm |
| H | 4.4100 in 112.0 mm |
| L | 2.3000 in 59.0 mm |
| J | 3.5400 in 90.0 mm |
| A | 1.0000 in 25.5 mm |
| A1 | 0.4700 in 12.0 mm |
| A2 | 1.3100 in 33.300 mm |
| e | 0.5900 in 15.0 mm |
| N | 0.4700 in 12.0 mm |
| B | 1.2205 in 31.000 mm |
| S | 0.5000 in 12.700 mm |
NTN SUCFL201軸承尺寸圖
NTN SUCFL201軸承同尺寸型號
| SUCFL201 | 詳細尺寸,d:12.000mm,h:112.00000mm,b:25.500mm,j:90.000mm,r:59.000mm |
| 共計找到1條記錄 | |
NTN SUCFL201軸承相關配件/適用型號
| SUC201 | 詳細尺寸,d:12.000mm,dD:47.000mm,c:17.000mm,b:31.000mm,r:0.500mm |
NTN軸承推薦
| NTN 62/32LLBNRC3軸承 | 描述:軸承型號:62/32LLBNRC3,單列深溝球軸承 - 雙面密封(非接觸式橡膠密封)帶止動環 |
| NTN BL310ZC3軸承 | 描述:軸承型號:BL310ZC3,單列深溝球軸承 - 單面防塵蓋 |
| NTN 7001UC軸承 | 描述:軸承型號:7001UC,單列角接觸球軸承 - Ultage系列 |
| NTN UCX11軸承 | 描述:軸承型號:UCX11,帶緊定螺釘的外球面軸承,寬外圈 - 球面外圈 |
| NTN UCS320-313D1軸承 | 描述:軸承型號:UCS320-313D1,帶緊定螺釘的外球面軸承,寬外圈 - 圓柱內徑 |
| NTN 47679/47622W軸承 | 描述:軸承型號:47679/47622W,圓錐滾子軸承 - 英制系列和J系列 |
| NTN 93708軸承 | 描述:軸承型號:93708,圓錐滾子軸承內圈 - 英制系列和J系列 |
| NTN 32913XA軸承 | 描述:軸承型號:32913XA,圓錐滾子軸承 - 公制系列 |
| NTN NU305EC3軸承 | 描述:軸承型號:NU305EC3,圓柱滾子軸承 -可分離型,普通內圈,外圈帶兩個加強筋 - NU型 |
| NTN MR1320TL軸承 | 描述:軸承型號:MR1320TL,圓柱滾子軸承 -可分離型內圈帶一個加強筋,外圈帶兩個擋圈 |
進口軸承推薦
| KAYDON KC080CP0軸承 | 描述:0.376 kg,單列深溝球軸承 |
| SKF 21322CAK/W33軸承 | 描述:11 kg,調心滾子軸承 |
| FAG 61817軸承 | 描述:0.257 kg,單列深溝球軸承 |
| NTN BL305ZZ軸承 | 描述:0.24 kg,單列深溝球軸承 |
| EZO F63803軸承 | 描述:0.012 kg,單列深溝球軸承 |
MCGILL軸承推薦
| MCGILL ROLLWAY-NU218EMC3軸承 | 基本尺寸,內徑:90.00000mm,外徑:160.00000mm,厚度:30.00000mm。 |
| MCGILL ROLLWAY-E5219B軸承 | 基本尺寸,內徑:95.00000mm,外徑:170.00000mm,厚度:55.60000mm。 |
| MCGILL CFH1-1/2-S軸承 | 基本尺寸,內徑:0.00000mm,外徑:38.10000mm,厚度:22.23000mm。 |
| MCGILL CYRD2軸承 | 基本尺寸,內徑:0.62500mm,外徑:2.00000mm,厚度:1.25000mm。 |
| MCGILL ROLLWAY-NJ215E軸承 | 基本尺寸,內徑:75.00000mm,外徑:130.00000mm,厚度:25.00000mm。 |

