NTN SFCW2232N1軸承技術規格
| 類型 | 四螺栓圓形法蘭式軸承座 |
| 軸承類型 | 調心滾子軸承 |
| 鎖緊裝置 | 緊定襯套 |
| 密封圈材質 | 丁腈橡膠 |
| 軸承型號 | MX-W22232EALLKD1C3 |
| 軸承座型號 | SFC232N1 |
| 緊定襯套型號 | H2332M1 |
| 殼體材質 | 球墨鑄鐵 |
| 殼體鑄造型式 | 一體成型 |
| 性能 | 重型 |
| 端蓋類型 | 開式 |
| 基本額定動載荷 | 275000 lbf 1220000 N 872.00 kN |
| 基本額定靜載荷 | 312000 lbf 1390000 N 1390.00 kN |
| 極限轉速 | 1000轉/分鐘 |
| 應用溫度范圍 | -40 to 400 oF -40 to 200 oC |
| 潤滑方式 | 可再潤滑 |
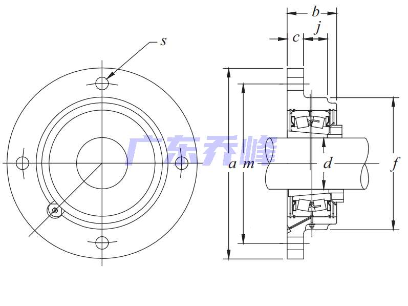
NTN SFCW2232N1軸承尺寸規格
| 密封球面法蘭式軸承座單元,SFCW系列 - 尺寸 | |
| d | 5.5118 in 140.000 mm |
| a | 20.4724 in 520.0 mm |
| b | 5.3150 in 135.0 mm |
| c | 1.7717 in 45.0 mm |
| m | 17.1260 in 435.0 mm |
| f | 14.1176 in 360.0 mm |
| j | 2.5591 in 65.0 mm |
| s | 1.3780 in 35.0 mm |
| 注意 | 銷售圖紙反映的是不帶緊定襯套的尺寸,實際上是帶的,因此需要注意。如不能很好把握,可直接致電020-81178086咨詢我們。 |
NTN SFCW2232N1軸承尺寸圖
NTN SFCW2232N1軸承安裝指南
| 軸向位移 - Min. | 0.047 in |
| 軸向位移 - Max. | 0.063 in |
| 推薦的鎖緊螺母旋轉角度 | 150 o |
| 液壓 - Min. | 3950 lb/in2 |
| 液壓 - Max. | 5250 lb/in2 |
NTN SFCW2232N1軸承同尺寸型號
| C-SFCW2232N1 | 詳細尺寸,d:140.000mm,f:520.000mm,c:45.000mm,b:135.000mm,:435.000mm |
| SFCW2232N1 | 詳細尺寸,d:140.000mm,f:520.000mm,c:45.000mm,b:135.000mm,:435.000mm |
| 共計找到2條記錄 | |
NTN SFCW2232N1軸承相關配件/適用型號
| MX-W22232EALLKD1C3 | 詳細尺寸,d:160.000mm,dD:290.000mm,b:104.000mm,r:1.500mm |
NTN軸承推薦
| NTN 6026LLUN軸承 | 描述:軸承型號:6026LLUN,單列深溝球軸承 - 雙面密封(接觸式橡膠密封),帶止動環槽 |
| NTN UC207-104D1/LP03Q1軸承 | 描述:軸承型號:UC207-104D1/LP03Q1,帶緊定螺釘的外球面軸承,寬外圈 - 球面外圈 |
| NTN 51168軸承 | 描述:軸承型號:51168,單向推力球軸承 |
| NTN 49580/49520軸承 | 描述:軸承型號:49580/49520,圓錐滾子軸承 - 英制系列和J系列 |
| NTN L44643L軸承 | 描述:軸承型號:L44643L,圓錐滾子軸承內圈 - 英制系列和J系列 |
| NTN 430240軸承 | 描述:軸承型號:430240,雙列圓錐滾子軸承 |
| NTN N308軸承 | 描述:軸承型號:N308,圓柱滾子軸承 -內圈帶兩個加強筋,可分離型,普通外圈 - N型 |
| NTN NU309G1C3軸承 | 描述:軸承型號:NU309G1C3,圓柱滾子軸承 -可分離型,普通內圈,外圈帶兩個加強筋 - NU型 |
| NTN NJ340軸承 | 描述:軸承型號:NJ340,圓柱滾子軸承 -可分離型內圈帶一個加強筋,外圈帶兩個加強筋 |
| NTN MA1226TL軸承 | 描述:軸承型號:MA1226TL,圓柱滾子軸承 -可分離型,普通內圈,外圈帶兩個擋圈 |
進口軸承推薦
| FAG B71909-C-T-P4S-UL軸承 | 描述:0.13 kg, 大型鋼球主軸軸承 B型 |
| SNR 6301FT150 ZZ軸承 | 描述:0.061 kg,單列深溝球軸承 |
| SNR 23140軸承 | 描述:41.26 kg,調心滾子軸承 |
| NSK 696VV軸承 | 描述:0.0039 kg,單列深溝球軸承 |
| FAG L10QA300軸承 | 描述:0.061 kg,單列深溝球軸承 |
MCGILL軸承推薦
| MCGILL BCCYR1S軸承 | 基本尺寸,內徑:7.94000mm,外徑:25.40000mm,厚度:15.88000mm。 |
| MCGILL CYR3.1/2-S軸承 | 基本尺寸,內徑:28.58000mm,外徑:88.90000mm,厚度:50.80000mm。 |
| MCGILL ROLLWAY-N319EMC3軸承 | 基本尺寸,內徑:95.00000mm,外徑:200.00000mm,厚度:45.00000mm。 |
| MCGILL MCFR26SB軸承 | 基本尺寸,內徑:0.00000mm,外徑:26.00000mm,厚度:12.00000mm。 |
| MCGILL MCF32BX軸承 | 基本尺寸,內徑:0.00000mm,外徑:32.00000mm,厚度:14.00000mm。 |

