NTN NUKRT80軸承技術規格
| 類型 | 凸輪從動軸承 |
| 材質 | 淬透鋼 |
| 螺紋類型 | 公制 |
| 保持架材質 | 無 |
| 極限轉速-脂潤滑 | 2100轉/分鐘 |
| 滾子型式 | 球面 |
| 螺柱類型 | 公制 |
| 軸承類型 | 滾針軸承 |
| 外圈類型 | 球面 |
| 附件 | 防塵蓋 |
| 驅動裝置型式 | 插入式 |
| 結構 | 單列 |
| 扭矩 | 360.0 N ·m |
| 基本額定靜載荷 | 34000 lbf 151000 N |
| 基本額定動載荷 | 22700 lbf 101000 N |
| 軌道額定載荷 | 2200 lbf 9800 N |
| 重量 | 3.395 lb 1.540 kg |
| 應用溫度范圍 | -40 to 250 oF -40 to 120 oC |
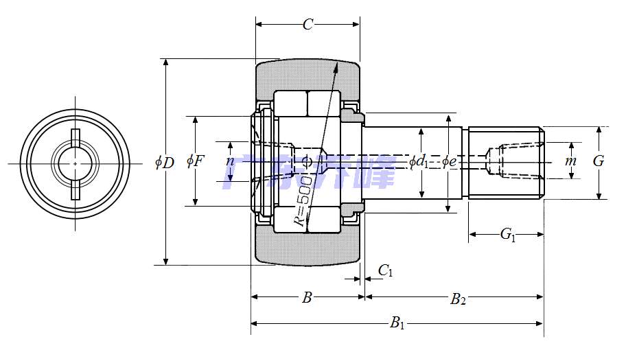
NTN NUKRT80軸承尺寸規格
| 凸輪從動螺柱式滾輪軸承 - 球面外圈,NUKRT型 - 尺寸 | |
| G | M30x1.5 |
| B1 | 3.9370 in 100.000 mm |
| B2 | 2.4803 in 63.000 mm |
| D | 3.1496 in 80.000 mm |
| D公差 | 0/-0.0020 in 0/-0.050 mm |
| B | 1.4567 in 37.000 mm |
| C | 1.3780 in 35.000 mm |
| d1 | 1.1811 in 30.000 mm |
| d1公差 | 0/-0.0008 in 0/-0.021 mm |
| G1 | 1.2598 in 32.000 mm |
| e | 2.0079 in 51.000 mm |
| F | 1.8701 in 47.500 mm |
| C1 | 0.0394 in 1.000 mm |
| n | PT1/8 |
| m | PT1/8 |
| 注油嘴尺寸 | A-PT1/8 |
NTN NUKRT80軸承尺寸圖
NTN軸承推薦
| NTN BC2-5軸承 | 描述:軸承型號:BC2-5,單列深溝球軸承 - 開式 |
| NTN 6300N軸承 | 描述:軸承型號:6300N,單列深溝球軸承 - 開式,帶止動環槽 |
| NTN 6221ZN軸承 | 描述:軸承型號:6221ZN,單列深溝球軸承 - 單面防塵蓋帶止動環槽 |
| NTN LM770949軸承 | 描述:軸承型號:LM770949,圓錐滾子軸承內圈 - 英制系列和J系列 |
| NTN MU1015DX軸承 | 描述:軸承型號:MU1015DX,圓柱滾子軸承 -內圈帶兩個加強筋,可分離型外圈帶一個加強筋 |
| NTN DCL268軸承 | 描述:軸承型號:DCL268,沖壓外圈滾針軸承 - DCL型 |
| NTN NAO-20X35X26ZW軸承 | 描述:軸承型號:NAO-20X35X26ZW,雙列機加工滾針軸承 -可分離型型帶內圈 |
| NTN ASPP206-102軸承 | 描述:軸承型號:ASPP206-102,軸承座,帶緊定螺釘,沖壓鋼外殼,ASPP型 |
| NTN S-UCP210D1軸承 | 描述:軸承型號:S-UCP210D1,軸承座,帶緊定螺釘,壓制鋼防塵蓋,開式端蓋,UCP型 |
| NTN UKP311D1 (When used with HE2311XY)軸承 | 描述:軸承型號:UKP311D1(配合軸承:HE2311XY),軸承座,帶緊定襯套,鑄造外殼,UKP型 |
進口軸承推薦
| RHP XLJ4.1/4J C3軸承 | 描述:1.302 kg,單列深溝球軸承 |
| NTN 6307T2XLLBP53軸承 | 描述:0.457 kg,單列深溝球軸承 |
| ROLLWAY 61834M C4軸承 | 描述:1.633 kg, |
| FAG 24076-BEA-XL-MB1-C3軸承 | 描述:152 kg,調心滾子軸承(X-life品質) |
| FAG 22226-E1A-XL-M-C4軸承 | 描述:11 kg, |
MCGILL軸承推薦
| MCGILL CF1/2NS軸承 | 基本尺寸,內徑:0.00000mm,外徑:12.70000mm,厚度:8.74000mm。 |
| MCGILL BCCF1-7/8SB軸承 | 基本尺寸,內徑:0.00000mm,外徑:47.63000mm,厚度:25.40000mm。 |
| MCGILL MR24+MI20軸承 | 基本尺寸,內徑:1.50000mm,外徑:2.06250mm,厚度:1.25000mm。 |
| MCGILL CCFH3軸承 | 基本尺寸,內徑:0.00000mm,外徑:76.20000mm,厚度:44.45000mm。 |
| MCGILL GR36+MI30軸承 | 基本尺寸,內徑:2.25000mm,外徑:3.00000mm,厚度:1.75000mm。 |

