NTN NATR45XLL軸承技術規格
| 類型 | 擋圈型滾輪軸承 |
| 滾子型式 | 滾針 |
| 軸承類型 | 滾針軸承 |
| 材質 | 高碳鉻鋼 |
| 保持架材質 | 鋼 |
| 外圈類型 | 圓柱型 |
| 極限轉速-油潤滑 | 3600轉/分鐘 |
| 極限轉速-脂潤滑 | 2700轉/分鐘 |
| 附件 | 雙面密封 |
| 基本額定靜載荷 | 22500 lbf 100000 N 100.00 kN |
| 基本額定動載荷 | 11600 lbf 51500 N 51.50 kN |
| 軌道額定載荷 | 10600 lbf 47000 N |
| 重量 | 2.006 lb 0.910 kg |
| 應用溫度范圍 | -40 to 250 oF -40 to 120 oC |
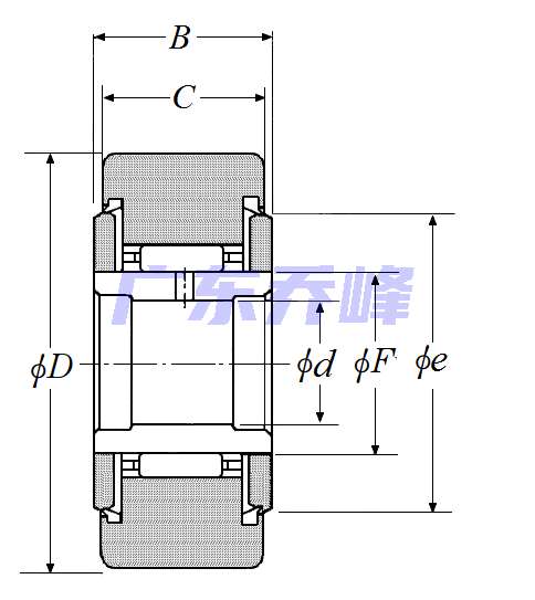
NTN NATR45XLL軸承尺寸規格
| 擋圈型滾輪軸承 - 帶內圈,雙面密封,NATR型,圓柱內徑 - 尺寸 | |
| d | 1.7717 in 45.000 mm |
| D(0/-0.050) | 3.3465 in 85.000 mm |
| F | 2.1654 in 55.000 mm |
| e | 2.7953 in 71.000 mm |
| C | 1.1811 in 30.000 mm |
| B | 1.2598 in 32.000 mm |
| B公差 | 0/-0.250 mm |
NTN NATR45XLL軸承尺寸圖
NTN軸承推薦
| NTN 6202FT150ZZ軸承 | 描述:軸承型號:6202FT150ZZ,單列深溝球軸承,Topline系列 - 雙面防塵蓋 |
| NTN 6007LHNC3軸承 | 描述:軸承型號:6007LHNC3,單列深溝球軸承 - 單面密封(輕接觸橡膠密封)帶止動環槽 |
| NTN 6224L1BC4軸承 | 描述:軸承型號:6224L1BC4,單列深溝球軸承 - 開式 |
| NTN 87036軸承 | 描述:軸承型號:87036,單列深溝球軸承 - 單面防塵蓋&單面密封(接觸式橡膠密封),87000系列 |
| NTN 7313BGC3軸承 | 描述:軸承型號:7313BGC3,單列角接觸球軸承 - 開式 |
| NTN JM719149軸承 | 描述:軸承型號:JM719149,圓錐滾子軸承內圈 - 英制系列和J系列 |
| NTN 612X軸承 | 描述:軸承型號:612X,圓錐滾子軸承外圈 - 英制系列和J系列 |
| NTN NN3021軸承 | 描述:軸承型號:NN3021,雙列圓柱滾子軸承 - 圓柱孔 - NN型 |
| NTN NU330軸承 | 描述:軸承型號:NU330,圓柱滾子軸承 -可分離型,普通內圈,外圈帶兩個加強筋 - NU型 |
| NTN MU5304CL軸承 | 描述:軸承型號:MU5304CL,圓柱滾子軸承 -內圈帶兩個加強筋,可分離型,普通外圈 |
進口軸承推薦
| FAG 239/560-B-K-MB-C3軸承 | 描述:186 kg,調心滾子軸承 |
| FAG 23240-BE-XL-K-C4軸承 | 描述:55.7 kg,調心滾子軸承(X-life品質) |
| RHP 6024ZZ軸承 | 描述:2.25 kg,單列深溝球軸承 |
| SKF 7032ACD/P4ALDT軸承 | 描述:10.2 kg |
| FAFNIR P204RR6A4362軸承 | 描述:0.106 kg,單列深溝球軸承 |
MCGILL軸承推薦
| MCGILL CCF3-1/2SB軸承 | 基本尺寸,內徑:0.00000mm,外徑:88.90000mm,厚度:50.80000mm。 |
| MCGILL BCF1-5/8S軸承 | 基本尺寸,內徑:0.00000mm,外徑:41.28000mm,厚度:22.23000mm。 |
| MCGILL SB22215W33SS軸承 | 基本尺寸,內徑:75.00000mm,外徑:130.00000mm,厚度:31.00000mm。 |
| MCGILL GR132+MI112軸承 | 基本尺寸,內徑:8.25000mm,外徑:10.12500mm,厚度:3.00000mm。 |
| MCGILL CCYRD1-7/8軸承 | 基本尺寸,內徑:0.50000mm,外徑:1.87500mm,厚度:1.00000mm。 |

