NTN MR1308軸承代號說明
M
R
1
3
0
8
M:NTN BOWER產品,標準公制尺寸系列
R:客戶訂制產生
1:寬度系列:01系列
3:尺寸系列:03系列
08:內徑:40 mm
M:
NTN BOWER產品,標準公制尺寸系列
R:
客戶訂制產生
1:
寬度系列:01系列
3:
尺寸系列:03系列
08:
內徑:40 mm
NTN MR1308軸承技術規格
| 類型 | 內圈 |
| 內孔型式 | 圓柱孔 |
| 材質 | 硬化合金鋼 |
| 精密研磨 | 是 |
| 公差 | ISO Class 0(RBEC 1) |
| 重量 | 0.379 lb 0.172 kg |
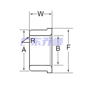
NTN MR1308軸承尺寸規格
| 內圈帶一個加強筋,不帶滾子 - 尺寸 | |
| B | 1.5748 in 40.000 mm |
| A | 2.0591 in 52.300 mm |
| W | 0.9055 in 23.000 mm |
| F | 2.2441 in 57.000 mm |
| R | 0.0598 in 1.520 mm |
NTN MR1308軸承尺寸圖
NTN軸承推薦
| NTN 6018ZNC3軸承 | 描述:軸承型號:6018ZNC3,單列深溝球軸承 - 單面防塵蓋帶止動環槽 |
| NTN AC-6208LLUC3軸承 | 描述:軸承型號:AC-6208LLUC3,AC軸承 - 雙面密封(接觸式橡膠密封) |
| NTN BST55X120-1BDBTT軸承 | 描述:軸承型號:BST55X120-1BDBTT,滾珠絲杠用四列角接觸推力球軸承 - DBTT配對,開式,三排承受軸向載荷 |
| NTN ASS206-104NR軸承 | 描述:軸承型號:ASS206-104NR,帶緊定螺釘的外球面軸承,狹窄內圈 - 圓柱內徑,帶止動環 |
| NTN WPS103G2C軸承 | 描述:軸承型號:WPS103G2C,帶偏心鎖緊套的外球面軸承,寬外圈 - 球面外圈 |
| NTN UELS207-104LD1N軸承 | 描述:軸承型號:UELS207-104LD1N,帶偏心鎖緊套的外球面軸承,寬外圈 - 圓柱內徑,帶止動環槽 |
| NTN 09074軸承 | 描述:軸承型號:09074,圓錐滾子軸承內圈 - 英制系列和J系列 |
| NTN NJ224EG1軸承 | 描述:軸承型號:NJ224EG1,圓柱滾子軸承 -可分離型內圈帶一個加強筋,外圈帶兩個加強筋 |
| NTN MU1205DL軸承 | 描述:軸承型號:MU1205DL,圓柱滾子軸承 -內圈帶兩個加強筋,可分離型外圈帶一個加強筋 |
| NTN KMJ20X26X20軸承 | 描述:軸承型號:KMJ20X26X20,滾針和保持架組件 |
進口軸承推薦
| SKF 23152CCK/HA3C4W33軸承 | 描述:93 kg,調心滾子軸承 |
| FAG 6000THB.P6軸承 | 描述:0.019 kg,單列深溝球軸承 |
| NSK 6001U軸承 | 描述:0.022 kg,單列深溝球軸承 |
| SNR 6216EE軸承 | 描述:1.432 kg,單列深溝球軸承 |
| NSK 23236CAME4C5S11軸承 | 描述:38.5 kg,調心滾子軸承 |
MCGILL軸承推薦
| MCGILL CCFH2-1/2S軸承 | 基本尺寸,內徑:0.00000mm,外徑:63.50000mm,厚度:38.10000mm。 |
| MCGILL CCFE5/8N軸承 | 基本尺寸,內徑:0.00000mm,外徑:15.88000mm,厚度:10.31000mm。 |
| MCGILL CF3.1/2軸承 | 基本尺寸,內徑:0.00000mm,外徑:88.90000mm,厚度:50.80000mm。 |
| MCGILL GR20N+MI16N軸承 | 基本尺寸,內徑:1.25000mm,外徑:1.75000mm,厚度:1.00000mm。 |
| MCGILL MCFD90軸承 | 基本尺寸,內徑:0.00000mm,外徑:90.00000mm,厚度:35.00000mm。 |

