NTN KRVT62XV1軸承技術規格
| 類型 | 凸輪從動軸承 |
| 材質 | 淬透鋼 |
| 螺紋類型 | 公制 |
| 保持架材質 | 無 |
| 滾子型式 | 圓柱型 |
| 螺柱類型 | 公制 |
| 軸承類型 | 滾針軸承 |
| 外圈類型 | 圓柱型 |
| 附件 | 開式 |
| 驅動裝置型式 | 插入式 |
| 結構 | 單列 |
| 基本額定靜載荷 | 12400 lbf 55000 N |
| 基本額定動載荷 | 6550 lbf 29100 N |
| 應用溫度范圍 | -40 to 250 oF -40 to 120 oC |
NTN KRVT62XV1軸承尺寸規格
| 凸輪從動螺柱式滾輪軸承 - 圓柱內徑,KRVT型 - 尺寸 | |
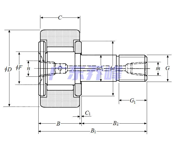
| G | M24x1.5 |
| B1 | 3.1496 in 80.000 mm |
| B2 | 1.9488 in 49.500 mm |
| D | 2.4409 in 62.000 mm |
| D公差 | 0/-0.0020 in 0/-0.050 mm |
| B | 0 in 0.000 mm |
| C | 0.0000 in 0.000 mm |
| d1 | 0.9449 in 24.000 mm |
| G1 | 0.9843 in 25.000 mm |
NTN KRVT62XV1軸承尺寸圖
NTN軸承推薦
| NTN 6900Z軸承 | 描述:軸承型號:6900Z,單列深溝球軸承 - 單面防塵蓋 |
| NTN 623軸承 | 描述:軸承型號:623,單列深溝球軸承 - 開式 |
| NTN 6819ZNC3軸承 | 描述:軸承型號:6819ZNC3,單列深溝球軸承 - 單面防塵蓋帶止動環槽 |
| NTN 6922ZZNRC3軸承 | 描述:軸承型號:6922ZZNRC3,單列深溝球軸承 - 雙面防塵蓋帶止動環 |
| NTN 2313SKC3軸承 | 描述:軸承型號:2313KC3,圓錐孔自調心球軸承 |
| NTN 5207SEEG15軸承 | 描述:軸承型號:5207EEG15,雙列角接觸球軸承 - 雙面密封(接觸式橡膠密封) |
| NTN WPS108GRC軸承 | 描述:軸承型號:WPS108GRC,帶偏心鎖緊套的外球面軸承,寬外圈 - 球面外圈 |
| NTN 59200/59425軸承 | 描述:軸承型號:59200/59425,圓錐滾子軸承 - 英制系列和J系列 |
| NTN JLM704610軸承 | 描述:軸承型號:JLM704610,圓錐滾子軸承外圈 - 英制系列和J系列 |
| NTN MU1026DHL軸承 | 描述:軸承型號:MU1026DHL,可分離外圈軸承 -內圈帶兩個加強筋,外圈帶一個加強筋,銷釘孔 |
進口軸承推薦
| NSK 23134CE4C3軸承 | 描述:20.6 kg,調心滾子軸承 |
| TORRINGTON 22224KMBW33C3軸承 | 描述:8.55 kg,調心滾子軸承 |
| SKF 618/850MA/C4軸承 | 描述:140.9 kg,單列深溝球軸承 |
| SNR 22315.EAKW33C3軸承 | 描述:4.85 kg,調心滾子軸承 |
| INA CSCG042軸承 | 描述:1.53 kg,單列深溝球軸承 |
MCGILL軸承推薦
| MCGILL GR36S+MI28軸承 | 基本尺寸,內徑:2.25000mm,外徑:3.00000mm,厚度:1.75000mm。 |
| MCGILL MCFD80軸承 | 基本尺寸,內徑:0.00000mm,外徑:80.00000mm,厚度:35.00000mm。 |
| MCGILL MCYR10SX軸承 | 基本尺寸,內徑:10.00000mm,外徑:30.00000mm,厚度:14.00000mm。 |
| MCGILL CCFE9/16軸承 | 基本尺寸,內徑:0.00000mm,外徑:14.29000mm,厚度:9.53000mm。 |
| MCGILL GR60+MI52軸承 | 基本尺寸,內徑:3.75000mm,外徑:4.75000mm,厚度:2.00000mm。 |

