NTN KRT90XLL軸承技術規格
| 類型 | 凸輪從動軸承 |
| 材質 | 淬透鋼 |
| 螺紋類型 | 公制 |
| 保持架材質 | 壓制鋼 |
| 極限轉速-油潤滑 | 5500轉/分鐘 |
| 極限轉速-脂潤滑 | 4000轉/分鐘 |
| 滾子型式 | 圓柱型 |
| 螺柱類型 | 公制 |
| 軸承類型 | 滾針軸承 |
| 外圈類型 | 圓柱型 |
| 附件 | 雙面密封 |
| 驅動裝置型式 | 插入式 |
| 結構 | 單列 |
| 扭矩 | 360.0 N ·m |
| 基本額定靜載荷 | 19900 lbf 88500 N |
| 基本額定動載荷 | 10100 lbf 45000 N |
| 軌道額定載荷 | 13300 lbf 59000 N |
| 重量 | 4.299 lb 1.950 kg |
| 應用溫度范圍 | -40 to 250 oF -40 to 120 oC |
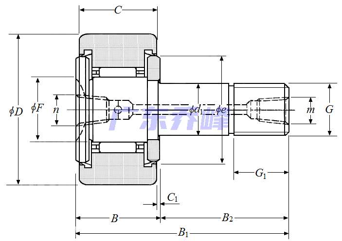
NTN KRT90XLL軸承尺寸規格
| 凸輪從動螺柱式滾輪軸承 - 圓柱內徑,KRT..LL型 - 尺寸 | |
| G | M30x1.5 |
| B1 | 3.9370 in 100.000 mm |
| B2 | 2.4803 in 63.000 mm |
| D | 3.5433 in 90.000 mm |
| D公差 | 0/-0.0020 in 0/-0.050 mm |
| B | 1.4567 in 37.000 mm |
| C | 1.3780 in 35.000 mm |
| d1 | 1.1811 in 30.000 mm |
| d1公差 | 0/-0.0008 in 0/-0.021 mm |
| G1 | 1.2598 in 32.000 mm |
| e | 2.0866 in 53.000 mm |
| F | 1.4961 in 38.000 mm |
| C1 | 0.0394 in 1.000 mm |
| n | PT1/8 |
| m | PT1/8 |
| 注油嘴尺寸 | A-PT1/8 |
NTN KRT90XLL軸承尺寸圖
NTN軸承推薦
| NTN 6304LBNRC3軸承 | 描述:軸承型號:6304LBNRC3,單列深溝球軸承 - 單面密封(非接觸式橡膠密封)帶止動環 |
| NTN 6244C3軸承 | 描述:軸承型號:6244C3,單列深溝球軸承 - 開式 |
| NTN MU5217X軸承 | 描述:軸承型號:MU5217X,內圈帶滾子帶兩個加強筋 |
| NTN MA5209TL軸承 | 描述:軸承型號:MA5209TL,圓柱滾子軸承 -可分離型,普通內圈,外圈帶兩個擋圈 |
| NTN MR1319EL軸承 | 描述:軸承型號:MR1319EL,圓柱滾子軸承 -可分離型內圈帶一個加強筋,外圈帶兩個加強筋 |
| NTN KR40XLLH軸承 | 描述:軸承型號:KR40XLLH,凸輪從動螺柱式滾輪軸承 - 圓柱內徑,KR..LLH型 |
| NTN K85X92X30軸承 | 描述:軸承型號:K85X92X30,滾針和保持架組件 |
| NTN PCJ384424軸承 | 描述:軸承型號:PCJ384424,滾針和保持架組件 |
| NTN K81128軸承 | 描述:軸承型號:K81128,推力滾針和保持架組件 - K811,K812系列 |
| NTN 23030EMD1C3軸承 | 描述:軸承型號:23030EMW33C3,調心滾子軸承 - 圓柱孔&注油槽,230系列 |
進口軸承推薦
| TIMKEN 22316KYMW33W800C4軸承 | 描述:6.2 kg,調心滾子軸承 |
| SKF 6224/QE6軸承 | 描述:5.6 kg,單列深溝球軸承 |
| FAG 22226K.MB軸承 | 描述:10.6 kg,調心滾子軸承 |
| SKF BS2-2208-2CS/VT143軸承 | 描述:0.57 kg,調心滾子軸承 |
| TORRINGTON 7305CAC軸承 | 描述:0.2233 kg, 單列角接觸球軸承 |
MCGILL軸承推薦
| MCGILL MCFDE47X軸承 | 基本尺寸,內徑:0.00000mm,外徑:47.00000mm,厚度:24.00000mm。 |
| MCGILL MCYRR30S軸承 | 基本尺寸,內徑:30.00000mm,外徑:62.00000mm,厚度:29.00000mm。 |
| MCGILL MCFDE35X軸承 | 基本尺寸,內徑:0.00000mm,外徑:35.00000mm,厚度:18.00000mm。 |
| MCGILL CCFH1-1/8SB軸承 | 基本尺寸,內徑:0.00000mm,外徑:28.58000mm,厚度:15.88000mm。 |
| MCGILL CCYR10S軸承 | 基本尺寸,內徑:108.08000mm,外徑:254.00000mm,厚度:133.35000mm。 |

