NTN KRT52X軸承技術規格
| 類型 | 凸輪從動軸承 |
| 材質 | 淬透鋼 |
| 螺紋類型 | 公制 |
| 保持架材質 | 壓制鋼 |
| 極限轉速-油潤滑 | 8000轉/分鐘 |
| 極限轉速-脂潤滑 | 6000轉/分鐘 |
| 滾子型式 | 圓柱型 |
| 螺柱類型 | 公制 |
| 軸承類型 | 滾針軸承 |
| 外圈類型 | 圓柱型 |
| 附件 | 開式 |
| 驅動裝置型式 | 插入式 |
| 結構 | 單列 |
| 扭矩 | 98.0 N ·m |
| 基本額定靜載荷 | 7550 lbf 33500 N |
| 基本額定動載荷 | 4650 lbf 20700 N |
| 軌道額定載荷 | 5250 lbf 23300 N |
| 重量 | 1.016 lb 0.461 kg |
| 應用溫度范圍 | -40 to 250 oF -40 to 120 oC |
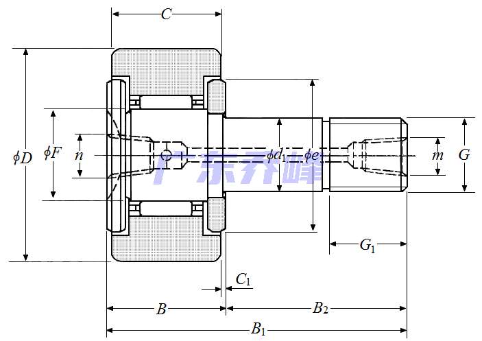
NTN KRT52X軸承尺寸規格
| 凸輪從動螺柱式滾輪軸承 - 圓柱內徑,KRT型 - 尺寸 | |
| G | M20x1.5 |
| B1 | 2.5984 in 66.000 mm |
| B2 | 1.5945 in 40.500 mm |
| D | 2.0472 in 52.000 mm |
| D公差 | 0/-0.0020 in 0/-0.050 mm |
| B | 1.0039 in 25.500 mm |
| C | 0.9449 in 24.000 mm |
| d1 | 0.7874 in 20.000 mm |
| d1公差 | 0/-0.0008 in 0/-0.021 mm |
| G1 | 0.8268 in 21.000 mm |
| e | 1.4567 in 37.000 mm |
| F | 0.9843 in 25.000 mm |
| C1 | 0.0315 in 0.800 mm |
| n | PT1/8 |
| m | PT1/8 |
| 注油嘴尺寸 | A-PT1/8 |
NTN KRT52X軸承尺寸圖
NTN軸承推薦
| NTN 6300LLBC3/EM軸承 | 描述:軸承型號:6300LLBC3/EM,單列深溝球軸承 - 雙面密封(非接觸式橡膠密封) |
| NTN 6903JRNRC3軸承 | 描述:軸承型號:6903NRC3,單列深溝球軸承 - 開式帶止動環 |
| NTN 6011ZZN軸承 | 描述:軸承型號:6011ZZN,單列深溝球軸承 - 雙面防塵蓋,帶止動環槽 |
| NTN 3218S軸承 | 描述:軸承型號:3218,雙列角接觸球軸承 - 開式 |
| NTN 30308UA軸承 | 描述:軸承型號:30308A,圓錐滾子軸承 - 公制系列 |
| NTN MU1926DV軸承 | 描述:軸承型號:MU1926DV,圓柱滾子軸承 -內圈帶兩個加強筋,可分離型外圈帶一個加強筋 |
| NTN MU1214UX軸承 | 描述:軸承型號:MU1214UX,圓柱滾子軸承 - 不可分離型,內圈帶兩個加強筋,外圈帶一個加強筋,帶擋圈 |
| NTN MU1220UV軸承 | 描述:軸承型號:MU1220UV,圓柱滾子軸承 - 不可分離型,內圈帶兩個加強筋,外圈帶一個加強筋,帶擋圈 |
| NTN HKS33X38X8軸承 | 描述:軸承型號:HKS33X38X8,沖壓外圈滾針軸承 - HK,HMK型 |
| NTN AELFD201-008軸承 | 描述:軸承型號:AELFD201-008,雙螺栓菱形法蘭式軸承座單元,鑄造外殼,帶偏心鎖緊套,AELFD型 |
進口軸承推薦
| EZO EI-1634軸承 | 描述:0.05 kg,單列深溝球軸承 |
| FAG 22315-E1-H40軸承 | 描述:5.01 kg,調心滾子軸承(X-life品質) |
| NSK 6313DDU C3軸承 | 描述:2.1 kg,單列深溝球軸承 |
| FAG 23988MB軸承 | 描述:97 kg,調心滾子軸承 |
| FAG 23234-E1A-K-M-C4軸承 | 描述:35.401 kg,調心滾子軸承(X-life品質) |
MCGILL軸承推薦
| MCGILL MCFR-62A-S-TMS1軸承 | 基本尺寸,內徑:0.00000mm,外徑:62.00000mm,厚度:29.00000mm。 |
| MCGILL GR80+MI68軸承 | 基本尺寸,內徑:5.00000mm,外徑:6.50000mm,厚度:2.25000mm。 |
| MCGILL MR20N+MI16N軸承 | 基本尺寸,內徑:1.25000mm,外徑:1.75000mm,厚度:1.00000mm。 |
| MCGILL ROLLWAY-NU222EMC3軸承 | 基本尺寸,內徑:110.00000mm,外徑:200.00000mm,厚度:38.00000mm。 |
| MCGILL GR64+MI56軸承 | 基本尺寸,內徑:4.00000mm,外徑:5.00000mm,厚度:2.00000mm。 |

