NTN KR90XLLH軸承技術規格
| 類型 | 凸輪從動軸承 |
| 材質 | 淬透鋼 |
| 螺紋類型 | 公制 |
| 保持架材質 | 壓制鋼 |
| 極限轉速-油潤滑 | 5500轉/分鐘 |
| 極限轉速-脂潤滑 | 4000轉/分鐘 |
| 滾子型式 | 圓柱型 |
| 螺柱類型 | 公制 |
| 軸承類型 | 滾針軸承 |
| 外圈類型 | 圓柱型 |
| 附件 | 雙面密封 |
| 驅動裝置型式 | 六角頭 |
| 結構 | 單列 |
| 扭矩 | 360.0 N ·m |
| 基本額定靜載荷 | 19900 lbf 88500 N |
| 基本額定動載荷 | 10100 lbf 45000 N |
| 軌道額定載荷 | 13300 lbf 59000 N |
| 重量 | 4.299 lb 1.950 kg |
| 應用溫度范圍 | -40 to 250 oF -40 to 120 oC |
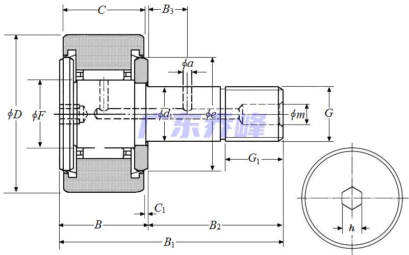
NTN KR90XLLH軸承尺寸規格
| 凸輪從動螺柱式滾輪軸承 - 圓柱內徑,KR..LLH型 - 尺寸 | |
| G | M30x1.5 |
| B1 | 3.9370 in 100.000 mm |
| B2 | 2.4803 in 63.000 mm |
| D | 3.5433 in 90.000 mm |
| D公差 | 0/-0.0020 in 0/-0.050 mm |
| B | 1.4567 in 37.000 mm |
| C | 1.3780 in 35.000 mm |
| d1 | 1.1811 in 30.000 mm |
| d1公差 | 0/-0.0008 in 0/-0.021 mm |
| G1 | 1.2598 in 32.000 mm |
| e | 2.0866 in 53.000 mm |
| B3 | 0.5906 in 15.000 mm |
| a | 0.1575 in 4.000 mm |
| F | 1.4961 in 38.000 mm |
| C1 | 0.0394 in 1.000 mm |
| h | 0.3150 in 8.000 mm |
| m | 0.3150 in 8.000 mm |
| 注油嘴尺寸 | NIP-B8 |
NTN KR90XLLH軸承尺寸圖
NTN軸承推薦
| NTN R12LLBC3/EM軸承 | 描述:軸承型號:R12LLBC3/EM,單列深溝球軸承 - 雙面密封(非接觸式橡膠密封) |
| NTN 6206LB軸承 | 描述:軸承型號:6206LB,單列深溝球軸承 - 單面密封(非接觸式橡膠密封) |
| NTN 6211ZN軸承 | 描述:軸承型號:6211ZN,單列深溝球軸承 - 單面防塵蓋帶止動環槽 |
| NTN 6921LUNR軸承 | 描述:軸承型號:6921LUNR,單列深溝球軸承 - 單面密封(接觸式橡膠密封)帶止動環 |
| NTN AEL206-101D1軸承 | 描述:軸承型號:AEL206-101D1,帶偏心鎖緊套的外球面軸承,狹窄內圈 - 球面外圈 |
| NTN 47681/47620軸承 | 描述:軸承型號:47681/47620,圓錐滾子軸承 - 英制系列和J系列 |
| NTN M1211EV軸承 | 描述:軸承型號:M1211EV,帶保持架和滾子的外圈,兩個加強筋 |
| NTN N318C3軸承 | 描述:軸承型號:N318C3,圓柱滾子軸承 -內圈帶兩個加強筋,可分離型,普通外圈 - N型 |
| NTN MU5210CX軸承 | 描述:軸承型號:MU5210CX,圓柱滾子軸承 -內圈帶兩個加強筋,可分離型,普通外圈 |
| NTN MU1013UV軸承 | 描述:軸承型號:MU1013UV,圓柱滾子軸承 - 不可分離型,內圈帶兩個加強筋,外圈帶一個加強筋,帶擋圈 |
進口軸承推薦
| FAG 22314ASK.M軸承 | 描述:4.22 kg,調心滾子軸承 |
| SKF 71960ACDGAMA/P4A軸承 | 描述:23 kg, 單列角接觸球軸承 |
| FAG HCS7020-C-T-P4S-UL軸承 | 描述:1.29 kg,帶密封的小徑陶瓷球主軸軸承HCS系列 |
| NSK 23028CDE4軸承 | 描述:6.206 kg,調心滾子軸承 |
| FAG 23136-E1-TVPB軸承 | 描述:27.06 kg,調心滾子軸承(X-life品質) |
MCGILL軸承推薦
| MCGILL CCFE11/16軸承 | 基本尺寸,內徑:0.00000mm,外徑:17.46000mm,厚度:11.11000mm。 |
| MCGILL ROLLWAY-U5220EMR軸承 | 基本尺寸,內徑:100.00000mm,外徑:180.00000mm,厚度:60.30000mm。 |
| MCGILL CCF4SB軸承 | 基本尺寸,內徑:0.00000mm,外徑:101.60000mm,厚度:57.15000mm。 |
| MCGILL ROLLWAY-NUP216EM軸承 | 基本尺寸,內徑:80.00000mm,外徑:140.00000mm,厚度:26.00000mm。 |
| MCGILL BCF3-1/4SB軸承 | 基本尺寸,內徑:0.00000mm,外徑:82.55000mm,厚度:44.45000mm。 |

