NTN KR85XH軸承技術規格
| 類型 | 凸輪從動軸承 |
| 材質 | 淬透鋼 |
| 螺紋類型 | 公制 |
| 保持架材質 | 壓制鋼 |
| 極限轉速-油潤滑 | 5500轉/分鐘 |
| 極限轉速-脂潤滑 | 4000轉/分鐘 |
| 滾子型式 | 圓柱型 |
| 螺柱類型 | 公制 |
| 軸承類型 | 滾針軸承 |
| 外圈類型 | 圓柱型 |
| 附件 | 開式 |
| 驅動裝置型式 | 六角頭 |
| 結構 | 單列 |
| 扭矩 | 360.0 N ·m |
| 基本額定靜載荷 | 19900 lbf 88500 N |
| 基本額定動載荷 | 10100 lbf 45000 N |
| 軌道額定載荷 | 12600 lbf 56000 N |
| 重量 | 3.836 lb 1.740 kg |
| 應用溫度范圍 | -40 to 250 oF -40 to 120 oC |
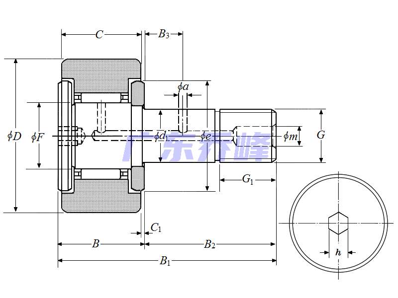
NTN KR85XH軸承尺寸規格
| 凸輪從動螺柱式滾輪軸承 - 圓柱內徑,KR..H型 - 尺寸 | |
| G | M30x1.5 |
| B1 | 3.9370 in 100.000 mm |
| B2 | 2.4803 in 63.000 mm |
| D | 3.3465 in 85.000 mm |
| D公差 | 0/-0.0020 in 0/-0.050 mm |
| B | 1.4567 in 37.000 mm |
| C | 1.3780 in 35.000 mm |
| d1 | 1.1811 in 30.000 mm |
| d1公差 | 0/-0.0008 in 0/-0.021 mm |
| G1 | 1.2598 in 32.000 mm |
| e | 2.0866 in 53.000 mm |
| B3 | 0.5906 in 15.000 mm |
| a | 0.1575 in 4.000 mm |
| F | 1.4961 in 38.000 mm |
| C1 | 0.0394 in 1.000 mm |
| h | 0.3150 in 8.000 mm |
| m | 0.3150 in 8.000 mm |
| 注油嘴尺寸 | NIP-B8 |
NTN KR85XH軸承尺寸圖
NTN軸承推薦
| NTN 6204ZZNR軸承 | 描述:軸承型號:6204ZZNR,單列深溝球軸承 - 雙面防塵蓋帶止動環 |
| NTN 61813LLU軸承 | 描述:軸承型號:61813LLU,單列深溝球軸承 - 雙面密封(接觸式橡膠密封) |
| NTN MLE7006CVDUJ84S軸承 | 描述:軸承型號:MLE7006CVDUJ84S,密封雙聯角接觸球軸承,高精度 |
| NTN BST40X72-1BLXL軸承 | 描述:軸承型號:BST40X72-1BLXL,滾珠絲杠用單列角接觸推力球軸承 - 雙面密封 |
| NTN 525/532A軸承 | 描述:軸承型號:525/532A,圓錐滾子軸承 - 英制系列和J系列 |
| NTN 3779軸承 | 描述:軸承型號:3779,圓錐滾子軸承內圈 - 英制系列和J系列 |
| NTN EE170975軸承 | 描述:軸承型號:EE170975,圓錐滾子軸承內圈 - 英制系列和J系列 |
| NTN M1216UV軸承 | 描述:軸承型號:M1216UV,帶保持架和滾子的外圈,一邊帶加強筋&一邊帶擋圈 |
| NTN M1305EV軸承 | 描述:軸承型號:M1305EV,帶保持架和滾子的外圈,兩個加強筋 |
| NTN C-UKP211ED1 (when used with HE2311X)軸承 | 描述:軸承型號:C-UKP211ED1(配合軸承:HE2311X),軸承座,帶緊定襯套,鑄造防塵蓋,開式端蓋,UKP型 |
進口軸承推薦
| FAG 22322-E1A-XL-M-C2軸承 | 描述:17.5 kg,調心滾子軸承(X-life品質) |
| FAG 24052-B-MB-C4軸承 | 描述:65.4 kg,調心滾子軸承 |
| NTN 6217ZZ C3/2AS軸承 | 描述:1.795 kg,單列深溝球軸承 |
| FAG 6000-C-2Z-L038-C3>V軸承 | 描述:0.018 kg,新后綴>V可省略,等同于型號6000-C-2Z-L038-C3 FAG |
| NSK 7220B DB軸承 | 描述:6.38 kg, 單列角接觸球軸承 |
MCGILL軸承推薦
| MCGILL CCYR3-S軸承 | 基本尺寸,內徑:25.40000mm,外徑:76.20000mm,厚度:44.45000mm。 |
| MCGILL CFH3.1/2-SB軸承 | 基本尺寸,內徑:0.00000mm,外徑:88.90000mm,厚度:50.80000mm。 |
| MCGILL GR14+MI10軸承 | 基本尺寸,內徑:0.87500mm,外徑:1.37500mm,厚度:1.00000mm。 |
| MCGILL BCFE1-7/8S軸承 | 基本尺寸,內徑:0.00000mm,外徑:47.63000mm,厚度:25.40000mm。 |
| MCGILL GR16S+MI12軸承 | 基本尺寸,內徑:1.00000mm,外徑:1.50000mm,厚度:1.00000mm。 |

