NTN HSB015CDB/G1P4軸承代號說明
H
S
B
0
1
5
C
D
B
/
G
1
P
4
HSB:超高速角接觸球軸承.HSB型
0:尺寸系列:10系列
15:內徑:75 mm
C:接觸角 15o
DB:背對背配對, / \
/G1:特殊預緊,100KG
P4:P4級精度
HSB:
超高速角接觸球軸承.HSB型
0:
尺寸系列:10系列
15:
內徑:75 mm
C:
接觸角 15o
DB:
背對背配對, / \
/G1:
特殊預緊,100KG
P4:
P4級精度
NTN HSB015CDB/G1P4軸承技術規格
| 類型 | 角接觸球軸承 |
| 內孔型式 | 圓柱孔 |
| 材質 | 高碳鉻鋼 |
| 保持架型式 | 分層型 |
| 保持架材質 | 酚醛樹脂 |
| 滾珠材質 | 鋼 |
| 極限轉速-油潤滑 | 10000轉/分鐘 |
| 極限轉速-脂潤滑 | 7600轉/分鐘 |
| 精度 | ISO Class 4 |
| 結構 | 雙列 |
| 預緊力 | 特殊預緊力 |
| 基本額定靜載荷 | 10100 lbf 45000 N 45.00 kN |
| 基本額定動載荷 | 11500 lbf 51000 N 51.00 kN |
| 附件 | 開式 |
| 重量 | 2.950 lb 1.338 kg |
| 應用溫度范圍 | -40 to 250 oF -40 to 120 oC |
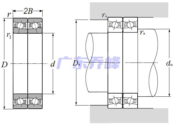
NTN HSB015CDB/G1P4軸承尺寸規格
| 超高速雙聯角接觸球軸承,背對背配對 - 尺寸 | |
| d | 2.9528 in 75.000 mm |
| D | 4.5276 in 115.000 mm |
| B | 0.7874 in 20.000 mm |
| 2B | 1.5748 in 40.000 mm |
| r | 0.0433 in 1.100 mm |
| r1 | 0.0236 in 0.600 mm |
| 接觸角 | 15 o |
| da min | 3.2283 in 82.000 mm |
| Da max | 4.2520 in 108.000 mm |
| ras max | 0.0394 in 1.000 mm |
NTN HSB015CDB/G1P4軸承尺寸圖
NTN軸承推薦
| NTN 6322C3軸承 | 描述:軸承型號:6322C3,單列深溝球軸承 - 開式 |
| NTN 5203S軸承 | 描述:軸承型號:5203,雙列角接觸球軸承 - 開式,5200&5300系列 |
| NTN AEL206-104軸承 | 描述:軸承型號:AEL206-104,帶偏心鎖緊套的外球面軸承,狹窄內圈 - 球面外圈 |
| NTN A-UEL213-208D1軸承 | 描述:軸承型號:A-UEL213-208D1,超一流帶偏心鎖緊套的外球面軸承,寬外圈 - 球面外圈 |
| NTN 423156JXM1CS945P6軸承 | 描述:軸承型號:423156JXM1CS945P6,雙列圓錐滾子軸承 |
| NTN M1321TL軸承 | 描述:軸承型號:M1321TL,帶保持架和滾子的外圈,兩個擋圈 |
| NTN MU1209DAV軸承 | 描述:軸承型號:MU1209DAV,圓柱滾子軸承 -內圈帶兩個加強筋,可分離型外圈帶一個加強筋 |
| NTN MSN1312EX軸承 | 描述:軸承型號:MSN1312EX,圓柱滾子軸承 -可分離型,短內圈帶一個加強筋,外圈帶兩個加強筋 |
| NTN MU1215CL軸承 | 描述:軸承型號:MU1215CL,圓柱滾子軸承 -內圈帶兩個加強筋,可分離型,普通外圈 |
| NTN 81207T2軸承 | 描述:軸承型號:K81207T2,推力滾針和保持架組件 - K811,K812系列 |
進口軸承推薦
| TIMKEN 22336KYMBC3軸承 | 描述:68.5 kg,調心滾子軸承 |
| KOYO 23036RKFY軸承 | 描述:16 kg,調心滾子軸承 |
| NSK BL309C3軸承 | 描述:0.88 kg,單列深溝球軸承 |
| SKF 6310-ZNR/C3軸承 | 描述:1.07 kg,單列深溝球軸承 |
| RHP XLJ9E軸承 | 描述:8.106 kg,單列深溝球軸承 |
MCGILL軸承推薦
| MCGILL GR52+MI44軸承 | 基本尺寸,內徑:3.25000mm,外徑:4.25000mm,厚度:1.75000mm。 |
| MCGILL ROLLWAY-NU2310EMC3軸承 | 基本尺寸,內徑:50.00000mm,外徑:110.00000mm,厚度:40.00000mm。 |
| MCGILL MCF80SB軸承 | 基本尺寸,內徑:0.00000mm,外徑:80.00000mm,厚度:35.00000mm。 |
| MCGILL MR18SRSPD+MI14軸承 | 基本尺寸,內徑:1.12500mm,外徑:1.62500mm,厚度:1.00000mm。 |
| MCGILL CCYR3-S軸承 | 基本尺寸,內徑:25.40000mm,外徑:76.20000mm,厚度:44.45000mm。 |

