NTN DC208TTR8軸承代號說明
D
C
2
0
8
T
T
R
8
D:盤式軸承
C:圓柱外圈
208:軸徑:2.5 in
TT:三層唇封
R8:可再潤滑,8:特殊特征代號
D:
盤式軸承
C:
圓柱外圈
208:
軸徑:2.5 in
TT:
三層唇封
R8:
可再潤滑,8:特殊特征代號
NTN DC208TTR8軸承技術規格
| 類型 | 重型盤式軸承 |
| 內孔型式 | 方孔 |
| 外圈類型 | 圓柱型 |
| 材質 | 淬透鋼 |
| 保持架型式 | 壓制 |
| 保持架材質 | 鋼 |
| 滾珠材質 | 鋼 |
| 密封型式 | 接觸式 |
| 密封圈材質 | 丁腈橡膠 |
| 精度 | Class 0 |
| 結構 | 單列 |
| 潤滑方式 | 重新潤滑 |
| 徑向游隙 | CN |
| 基本額定靜載荷 | 4000 lbf 17800 N 17.80 kN |
| 基本額定動載荷 | 6540 lbf 29100 N 29.10 kN |
| 附件 | 雙面密封 |
| 重量 | 1.609 lb 0.730 kg |
| 應用溫度范圍 | -40 to 250 oF -40 to 120 oC |
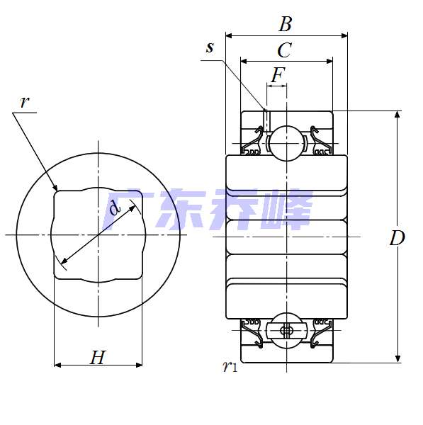
NTN DC208TTR8軸承尺寸規格
| 重型盤式軸承 - 方孔,圓柱內徑,6系列 - 尺寸 | |
| H | 1.1800 in 29.972 mm |
| D | 3.1496 in 80.000 mm |
| C | 1.1890 in 30.200 mm |
| B | 1.4370 in 36.500 mm |
| d | 1.2362 in 31.400 mm |
| r | 0.0591 in 1.500 mm |
| F | 0.2598 in 6.600 mm |
| s | 0.0866 in 2.200 mm |
| 軸徑 | 1.125 in 28.575 mm |
NTN DC208TTR8軸承尺寸圖
NTN軸承推薦
| NTN R6LLBC3軸承 | 描述:軸承型號:R6LLBC3,單列深溝球軸承 - 雙面密封(非接觸式橡膠密封) |
| NTN 6207F604軸承 | 描述:軸承型號:6207F604,單列深溝球軸承,Topline系列 - 雙面防塵蓋 |
| NTN 6308LLUA1C3軸承 | 描述:軸承型號:6308LLUA1C3,單列深溝球軸承 - 雙面密封(接觸式聚丙烯酸密封) |
| NTN 87007軸承 | 描述:軸承型號:87007,單列深溝球軸承 - 單面防塵蓋&單面密封(接觸式橡膠密封),87000系列 |
| NTN 5307SWC3軸承 | 描述:軸承型號:5307WC3,雙列角接觸球軸承 - 開式,5200&5300系列 |
| NTN 7014軸承 | 描述:軸承型號:7014,單列角接觸球軸承 - 開式 |
| NTN UCS319-311D1軸承 | 描述:軸承型號:UCS319-311D1,帶緊定螺釘的外球面軸承,寬外圈 - 圓柱內徑 |
| NTN HM212049A/HM212010軸承 | 描述:軸承型號:HM212049A/HM212010,圓錐滾子軸承 - 英制系列和J系列 |
| NTN MR1313EAHL軸承 | 描述:軸承型號:MR1313EAHL,可分離內圈型軸承 -內圈帶一個加強筋,外圈帶兩個加強筋,銷釘孔 |
| NTN K29X34X27軸承 | 描述:軸承型號:K29X34X27,滾針和保持架組件 |
進口軸承推薦
| FAG 6203-C-2HRS-L207-C3>V軸承 | 描述:0.059 kg,新后綴>V可省略,等同于型號6203-C-2HRS-L207-C3 FAG |
| FAG 16003-軸承 | 描述:0.032 kg,深溝球軸承160系列,主要尺寸符合DIN 625-1 |
| NSK 6214DDU C3軸承 | 描述:1.09 kg,單列深溝球軸承 |
| PEER 6014-2RLD-C3+L151軸承 | 描述:0.755 kg,單列深溝球軸承 |
| FAG 20207K.C3軸承 | 描述:0.335 kg,調心滾子軸承 |
MCGILL軸承推薦
| MCGILL ROLLWAY-NUP310EM軸承 | 基本尺寸,內徑:50.00000mm,外徑:110.00000mm,厚度:27.00000mm。 |
| MCGILL MCF52ABX軸承 | 基本尺寸,內徑:0.00000mm,外徑:52.00000mm,厚度:24.00000mm。 |
| MCGILL CYR5-S軸承 | 基本尺寸,內徑:44.45000mm,外徑:127.00000mm,厚度:2.75000mm。 |
| MCGILL ROLLWAY-NJ224EMC3軸承 | 基本尺寸,內徑:120.00000mm,外徑:215.00000mm,厚度:40.00000mm。 |
| MCGILL ROLLWAY-E5318U軸承 | 基本尺寸,內徑:90.00000mm,外徑:190.00000mm,厚度:73.00000mm。 |

