NTN CRV32XH軸承技術規格
| 類型 | 凸輪從動軸承 |
| 材質 | 淬透鋼 |
| 螺紋類型 | 英制 |
| 保持架材質 | 無 |
| 極限轉速-油潤滑 | 4800轉/分鐘 |
| 極限轉速-脂潤滑 | 3700轉/分鐘 |
| 滾子型式 | 圓柱型 |
| 軸承類型 | 滾針軸承 |
| 外圈類型 | 圓柱型 |
| 附件 | 開式 |
| 驅動裝置型式 | 六角頭 |
| 結構 | 單列 |
| 扭矩 | 34.0 lb ·ft150 N ·m |
| 基本額定靜載荷 | 945 lbf 4200 N |
| 基本額定動載荷 | 9200 lbf 41000 N |
| 重量 | 1.433 lb 0.650 kg |
| 應用溫度范圍 | -40 to 250 oF -40 to 120 oC |
NTN CRV32XH軸承尺寸規格
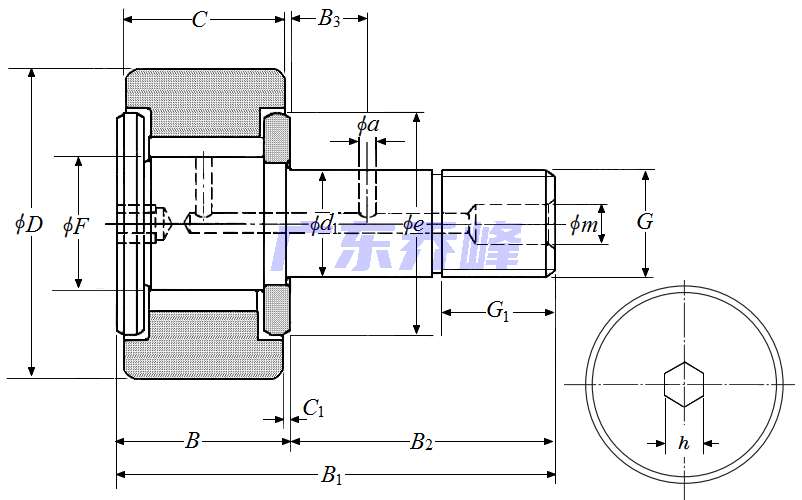
| 凸輪從動螺柱式滾輪軸承 - 圓柱內徑,CRV..H型 - 尺寸 | |
| G | 7/8-14UNF |
| B1 | 3.3110 in 84.100 mm |
| B2 | 2.0000 in 50.800 mm |
| D | 2.0000 in 50.800 mm |
| D公差 | 0/-0.0020 in 0/-0.050 mm |
| B | 1.3110 in 33.300 mm |
| C | 1.2500 in 31.750 mm |
| C公差 | 0/-0.0051 in 0/-0.130 mm |
| d1 | 0.8750 in 22.225 mm |
| d1公差 | 0.0010/0 in 0.025/0 mm |
| G1 | 1.0000 in 25.400 mm |
| e | 1.4370 in 36.500 mm |
| B3 | 0.5000 in 12.700 mm |
| a | 0.1969 in 5.000 mm |
| F | 1.0516 in 26.710 mm |
| C1 | 0.0315 in 0.800 mm |
| h | 0.3125 in 7.938 mm |
| m | 0.2362 in 6.000 mm |
| 注油嘴尺寸 | NIP-B6 |
NTN CRV32XH軸承尺寸圖
NTN軸承推薦
| NTN 6202LH軸承 | 描述:軸承型號:6202LH,單列深溝球軸承 - 單面密封(輕接觸橡膠密封) |
| NTN 6201LUNR軸承 | 描述:軸承型號:6201LUNR,單列深溝球軸承 - 單面密封(接觸式橡膠密封)帶止動環 |
| NTN 6201LLU/12.69C3軸承 | 描述:軸承型號:6201LLU/12.69C3,單列深溝球軸承 - 雙面密封(接觸式橡膠密封) |
| NTN 6003HVZZ軸承 | 描述:軸承型號:6003HVZZ,單列深溝球軸承 - 雙面防塵蓋 |
| NTN 7907UAD軸承 | 描述:軸承型號:7907UAD,單列角接觸球軸承 - Ultage系列 |
| NTN UCX16-301軸承 | 描述:軸承型號:UCX16-301,帶緊定螺釘的外球面軸承,寬外圈 - 球面外圈 |
| NTN L865547軸承 | 描述:軸承型號:L865547,圓錐滾子軸承內圈 - 英制系列和J系列 |
| NTN NH207軸承 | 描述:軸承型號:NH207,圓柱滾子軸承帶單擋邊內圈帶外圈&滾子組件,斜擋圈 - NH系列 |
| NTN MA1205EX軸承 | 描述:軸承型號:MA1205EX,圓柱滾子軸承 -可分離型,普通內圈,外圈帶兩個加強筋 |
| NTN 23260BD1C3軸承 | 描述:軸承型號:23260BW33C3,調心滾子軸承 - 圓柱孔&注油槽,232系列 |
進口軸承推薦
| NTN LH-22215BD1C3軸承 | 描述:1.59 kg,調心滾子軸承 |
| ROLLWAY 23068W33軸承 | 描述:105.5 kg,調心滾子軸承 |
| SKF 23228CC/C4W33軸承 | 描述:17.7 kg,調心滾子軸承 |
| KOYO 6306NR軸承 | 描述:0.364 kg,單列深溝球軸承 |
| NSK 24144CE4C4軸承 | 描述:64.7 kg,調心滾子軸承 |
MCGILL軸承推薦
| MCGILL CCYR4-S軸承 | 基本尺寸,內徑:31.75000mm,外徑:101.60000mm,厚度:57.15000mm。 |
| MCGILL CF5S軸承 | 基本尺寸,內徑:0.00000mm,外徑:5.00000mm,厚度:69.85000mm。 |
| MCGILL ROLLWAY-E5212B軸承 | 基本尺寸,內徑:60.00000mm,外徑:110.00000mm,厚度:36.50000mm。 |
| MCGILL CCYR8-S軸承 | 基本尺寸,內徑:82.68000mm,外徑:203.20000mm,厚度:107.95000mm。 |
| MCGILL CFH1SB軸承 | 基本尺寸,內徑:0.00000mm,外徑:25.40000mm,厚度:15.88000mm。 |

