NTN CRV14XLLH軸承技術規格
| 類型 | 凸輪從動軸承 |
| 材質 | 淬透鋼 |
| 螺紋類型 | 英制 |
| 保持架材質 | 無 |
| 極限轉速-油潤滑 | 10000轉/分鐘 |
| 極限轉速-脂潤滑 | 9000轉/分鐘 |
| 滾子型式 | 圓柱型 |
| 軸承類型 | 滾針軸承 |
| 外圈類型 | 圓柱型 |
| 附件 | 雙面密封 |
| 驅動裝置型式 | 六角頭 |
| 結構 | 單列 |
| 扭矩 | 2.9 lb ·ft13 N ·m |
| 基本額定靜載荷 | 185 lbf 825 N |
| 基本額定動載荷 | 1810 lbf 8050 N |
| 重量 | 0.106 lb 0.048 kg |
| 應用溫度范圍 | -40 to 250 oF -40 to 120 oC |
NTN CRV14XLLH軸承尺寸規格
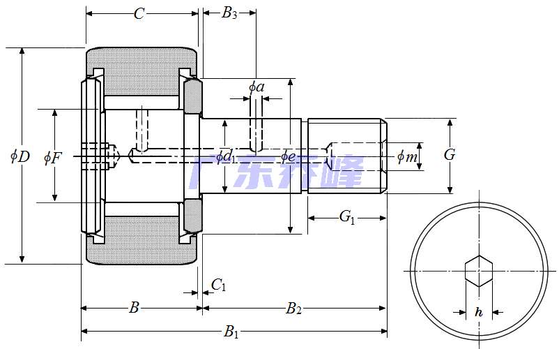
| 凸輪從動螺柱式滾輪軸承 - 圓柱內徑,CRV..LLH型 - 尺寸 | |
| G | 3/8-24UNF |
| B1 | 1.4370 in 36.500 mm |
| B2 | 0.8740 in 22.200 mm |
| D | 0.8750 in 22.225 mm |
| D公差 | 0/-0.0020 in 0/-0.050 mm |
| B | 0.5630 in 14.300 mm |
| C | 0.5000 in 12.700 mm |
| C公差 | 0/-0.0051 in 0/-0.130 mm |
| d1 | 0.3750 in 9.525 mm |
| d1公差 | 0.0010/0 in 0.025/0 mm |
| G1 | 0.3740 in 9.500 mm |
| e | 0.6102 in 15.500 mm |
| B3 | 0.2500 in 6.350 mm |
| a | 0.1181 in 3.000 mm |
| F | 0.4331 in 11.000 mm |
| C1 | 0.0315 in 0.800 mm |
| h | 0.1875 in 4.763 mm |
| m | 0.1575 in 4.000 mm |
| 注油嘴尺寸 | NIP-B4 |
NTN CRV14XLLH軸承尺寸圖
NTN軸承推薦
| NTN 6303LLHNR軸承 | 描述:軸承型號:6303LLHNR,單列深溝球軸承 - 雙面密封(輕接觸橡膠密封)帶止動環 |
| NTN 6224ZZC3/EM軸承 | 描述:軸承型號:6224ZZC3/EM,單列深溝球軸承 - 雙面防塵蓋 |
| NTN 6834L1CP5軸承 | 描述:軸承型號:6834L1CP5,單列深溝球軸承 - 開式 |
| NTN ML71900CV軸承 | 描述:軸承型號:ML71900CV,高速單列角接觸球軸承 - 高精度 |
| NTN MLE7003HV軸承 | 描述:軸承型號:MLE7003HV,密封角接觸球軸承 - 接觸角 25°,標準精度 |
| NTN 7905CG/GNP4軸承 | 描述:軸承型號:7905CG/GNP4,單列角接觸球軸承 - 開式 |
| NTN UELS205-100D1NR軸承 | 描述:軸承型號:UELS205-100D1NR,帶偏心鎖緊套的外球面軸承,寬外圈 - 圓柱內徑,帶止動環 |
| NTN 562934軸承 | 描述:軸承型號:562934,雙向推力角接觸球軸承 |
| NTN MU5218UL軸承 | 描述:軸承型號:MU5218UL,圓柱滾子軸承 - 不可分離型,內圈帶兩個加強筋,外圈帶一個加強筋,帶擋圈 |
| NTN ASRPP205-100軸承 | 描述:軸承型號:ASRPP205-100,軸承座,帶緊定螺釘,沖壓鋼外殼,ASRPP型 |
進口軸承推薦
| NTN 6208T2XC3P6軸承 | 描述:0.353 kg,單列深溝球軸承 |
| FAG 6307-RSR-C3-J22R軸承 | 描述:0.446 kg,單列深溝球軸承 |
| NSK 7318BW軸承 | 描述:4.975 kg, 單列角接觸球軸承 |
| NACHI 24144EW33C3MY軸承 | 描述:63.6 kg,調心滾子軸承 |
| SKF 7215BEGAP軸承 | 描述:1.172 kg,單列角接觸球軸承GA設計 |
MCGILL軸承推薦
| MCGILL MCYR10SX軸承 | 基本尺寸,內徑:10.00000mm,外徑:30.00000mm,厚度:14.00000mm。 |
| MCGILL CFE2SB軸承 | 基本尺寸,內徑:0.00000mm,外徑:50.80000mm,厚度:31.75000mm。 |
| MCGILL CYR-1.3/8-SB軸承 | 基本尺寸,內徑:9.53000mm,外徑:34.93000mm,厚度:19.05000mm。 |
| MCGILL ROLLWAY-E5316UMR軸承 | 基本尺寸,內徑:80.00000mm,外徑:170.00000mm,厚度:68.30000mm。 |
| MCGILL CFE1SB軸承 | 基本尺寸,內徑:0.00000mm,外徑:25.40000mm,厚度:15.88000mm。 |

