NTN C-UKT209D1 (when used with HA2309)軸承技術規格
| 類型 | 滑塊式軸承座 |
| 軸承類型 | 滾珠軸承 |
| 密封型式 | 接觸式 |
| 密封圈材質 | 丁腈橡膠 |
| 鎖緊裝置 | 緊定襯套 |
| 軸承型號 | UK209D1 |
| 殼體材質 | 鑄鐵 |
| 軸承座型號 | T209D1 |
| 性能 | 輕型 |
| 基本額定動載荷 | 7300 lbf 32500 N 32.50 kN |
| 基本額定靜載荷 | 4600 lbf 20400 N 20.40 kN |
| 重量 | 9.500 lb 4.300 kg |
| 應用溫度范圍 | -40 to 250 oF -40 to 120 oC |
| 潤滑方式 | 可再潤滑 |
NTN C-UKT209D1 (when used with HA2309)軸承尺寸規格
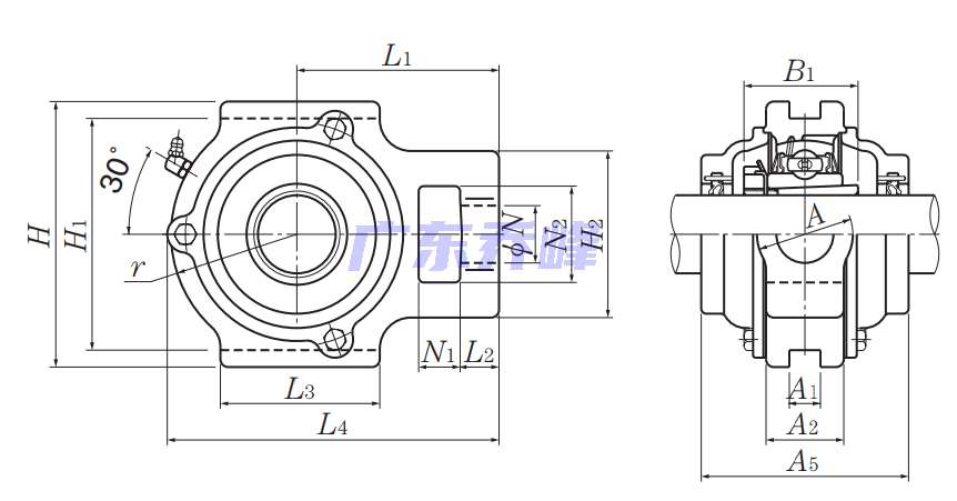
| 滑塊式軸承座,鑄造外殼,帶緊定襯套,鑄造防塵蓋,開式端蓋,UKT型 - 尺寸 | |
| d | 1.4375 in 36.513 mm |
| L | 5.7187 in 145.5 mm |
| H | 4.5937 in 117.0 mm |
| A5 | 3.7500 in 95.000 mm |
| H1 | 4.0157 in 102.0 mm |
| H2 | 3.2812 in 83.0 mm |
| L1 | 3.4687 in 88.0 mm |
| L2 | 0.7187 in 18.0 mm |
| L3 | 3.2812 in 83.0 mm |
| N | 1.1562 in 29.0 mm |
| N1 | 0.7500 in 19.0 mm |
| N2 | 1.9375 in 49.0 mm |
| A | 1.9375 in 49.0 mm |
| A1 | 0.6299 in 16.0 mm |
| A2 | 1.3750 in 35.0 mm |
| r | 2.2500 in 57.0 mm |
| B1 | 1.9690 in 50.000 mm |
| F | 0.1929 in 4.900 mm |
| 注意 | 銷售圖紙反映的是不帶緊定襯套的尺寸,實際上是帶的,因此需要注意。如不能很好把握,可直接致電020-81178086咨詢我們。 |
NTN C-UKT209D1 (when used with HA2309)軸承尺寸圖
NTN C-UKT209D1 (when used with HA2309)軸承同尺寸型號
| C-UKT209D1 (when used with HA2309) | 詳細尺寸,d:36.513mm,h:117.00000mm,bi:95.000mm,r:145.500mm,r2max:102.000mm |
| CM-UKT209D1 (when used with HA2309) | 詳細尺寸,d:36.513mm,h:117.00000mm,bi:95.000mm,r:145.500mm,r2max:102.000mm |
| 共計找到2條記錄 | |
NTN C-UKT209D1 (when used with HA2309)軸承相關配件/適用型號
| UK209D1 | 詳細尺寸,d:45.000mm,dD:85.000mm,c:22.000mm,b:31.000mm |
NTN軸承推薦
| NTN 6700LLFC3軸承 | 描述:軸承型號:6700LLFC3,單列深溝球軸承 - 雙面密封(非接觸式橡膠密封) |
| NTN 62/22LUC3軸承 | 描述:軸承型號:62/22LUC3,單列深溝球軸承 - 單面密封(接觸式橡膠密封) |
| NTN 6205ZC3軸承 | 描述:軸承型號:6205ZC3,單列深溝球軸承 - 單面防塵蓋 |
| NTN 6007LUNRC3軸承 | 描述:軸承型號:6007LUNRC3,單列深溝球軸承 - 單面密封(接觸式橡膠密封)帶止動環 |
| NTN 6208C4軸承 | 描述:軸承型號:6208C4,單列深溝球軸承 - 開式 |
| NTN 6908C3軸承 | 描述:軸承型號:6908C3,單列深溝球軸承 - 開式 |
| NTN BST50X100-1BDBTT軸承 | 描述:軸承型號:BST50X100-1BDBTT,滾珠絲杠用四列角接觸推力球軸承 - DBTT配對,開式,三排承受軸向載荷 |
| NTN NN3018KC1NAP4軸承 | 描述:軸承型號:NN3018KC1NAP4,雙列圓柱滾子軸承 - 圓錐孔 - NN型 |
| NTN PK24X31X16.8X7軸承 | 描述:軸承型號:PK24X31X16.8X7,滾針和保持架組件 |
| NTN UCP206-103D1軸承 | 描述:軸承型號:UCP206-103D1,軸承座,鑄造外殼,帶緊定螺釘,UCP/UCPX型 |
進口軸承推薦
| SKF 61904-2RS1/W64L軸承 | 描述:0.0373 kg,單列深溝球軸承 |
| TIMKEN 24040CJW33軸承 | 描述:29.59 kg,調心滾子軸承 |
| FAG 6001-B-2Z-L278軸承 | 描述:0.022 kg,單列深溝球軸承 |
| TORRINGTON 6320C3軸承 | 描述:7.456 kg,單列深溝球軸承 |
| TIMKEN 24122CJW33軸承 | 描述:6.9 kg,調心滾子軸承 |
MCGILL軸承推薦
| MCGILL GR132+MI112軸承 | 基本尺寸,內徑:8.25000mm,外徑:10.12500mm,厚度:3.00000mm。 |
| MCGILL BCCFE1-7/8SB軸承 | 基本尺寸,內徑:0.00000mm,外徑:47.63000mm,厚度:25.40000mm。 |
| MCGILL CFE2SB軸承 | 基本尺寸,內徑:0.00000mm,外徑:50.80000mm,厚度:31.75000mm。 |
| MCGILL CYR2-S軸承 | 基本尺寸,內徑:15.88000mm,外徑:50.80000mm,厚度:31.75000mm。 |
| MCGILL CCYRD1-7/8軸承 | 基本尺寸,內徑:0.50000mm,外徑:1.87500mm,厚度:1.00000mm。 |

