NTN C-SFCW2213-206N1軸承技術規格
| 類型 | 四螺栓圓形法蘭式軸承座 |
| 軸承類型 | 調心滾子軸承 |
| 鎖緊裝置 | 緊定襯套 |
| 密封圈材質 | 丁腈橡膠 |
| 軸承型號 | MX-W22213EALLKD1C3 |
| 軸承座型號 | SFC213N1 |
| 緊定襯套型號 | HS2313XM1 |
| 殼體材質 | 球墨鑄鐵 |
| 殼體鑄造型式 | 一體成型 |
| 性能 | 重型 |
| 端蓋類型 | 開式 |
| 基本額定動載荷 | 51000 lbf 226000 N 226.00 kN |
| 基本額定靜載荷 | 50500 lbf 224000 N 224.00 kN |
| 極限轉速 | 2300轉/分鐘 |
| 應用溫度范圍 | -40 to 400 oF -40 to 200 oC |
| 潤滑方式 | 可再潤滑 |
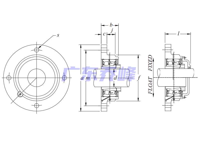
NTN C-SFCW2213-206N1軸承尺寸規格
| 密封球面法蘭式軸承座單元,鑄造防塵蓋,開式端蓋,SFCW系列 - 尺寸 | |
| d | 2.3750 in 60.325 mm |
| a | 9.4488 in 240.0 mm |
| b | 2.7559 in 70.0 mm |
| c | 0.9449 in 24.0 mm |
| m | 7.4803 in 190.0 mm |
| f | 6.0784 in 155.0 mm |
| j | 0.9843 in 25.0 mm |
| l | 4.0945 in 104.000 mm |
| s | 0.5512 in 14.0 mm |
| 注意 | 銷售圖紙反映的是不帶緊定襯套的尺寸,實際上是帶的,因此需要注意。如不能很好把握,可直接致電020-81178086咨詢我們。 |
NTN C-SFCW2213-206N1軸承尺寸圖
NTN C-SFCW2213-206N1軸承安裝指南
| 軸向位移 - Min. | 0.018 in |
| 軸向位移 - Max. | 0.024 in |
| 推薦的鎖緊螺母旋轉角度 | 90 o |
| 液壓 - Min. | 1750 lb/in2 |
| 液壓 - Max. | 2350 lb/in2 |
NTN C-SFCW2213-206N1軸承同尺寸型號
| SFCW2213-206N1 | 詳細尺寸,d:60.325mm,f:240.000mm,c:24.000mm,b:70.000mm,:190.000mm |
| C-SFCW2213-206N1 | 詳細尺寸,d:60.325mm,f:240.000mm,c:24.000mm,b:70.000mm,:190.000mm |
| 共計找到2條記錄 | |
NTN C-SFCW2213-206N1軸承相關配件/適用型號
| MX-W22213EALLKD1C3 | 詳細尺寸,d:65.000mm,dD:120.000mm,b:46.500mm,r:1.000mm |
NTN軸承推薦
| NTN 6802ZC3軸承 | 描述:軸承型號:6802ZC3,單列深溝球軸承 - 單面防塵蓋 |
| NTN 6322LLU軸承 | 描述:軸承型號:6322LLU,單列深溝球軸承 - 雙面密封(接觸式橡膠密封) |
| NTN 6844C3軸承 | 描述:軸承型號:6844C3,單列深溝球軸承 - 開式 |
| NTN 1301SK軸承 | 描述:軸承型號:1301K,圓錐孔自調心球軸承 |
| NTN MLE71912HV軸承 | 描述:軸承型號:MLE71912HV,密封角接觸球軸承 - 接觸角 25°,標準精度 |
| NTN BST40X72-1BDBT軸承 | 描述:軸承型號:BST40X72-1BDBT,滾珠絲杠用三列推力角接觸球軸承 - DBT配對,開式,兩排承受軸向載荷 |
| NTN 7234B軸承 | 描述:軸承型號:7234B,單列角接觸球軸承 - 開式 |
| NTN 05075/05185軸承 | 描述:軸承型號:05075/05185,圓錐滾子軸承 - 英制系列和J系列 |
| NTN M7320UL軸承 | 描述:軸承型號:M7320UL,帶保持架和滾子的外圈,一邊帶加強筋&一邊帶擋圈 |
| NTN NU1028軸承 | 描述:軸承型號:NU1028,圓柱滾子軸承 -可分離型,普通內圈,外圈帶兩個加強筋 - NU型 |
進口軸承推薦
| KOYO 7305軸承 | 描述:0.2233 kg, 單列角接觸球軸承 |
| INA 6204軸承 | 描述:0.106 kg,單列深溝球軸承 |
| FAG 6009-2RSR-HLH-C3軸承 | 描述:0.249 kg,單列深溝球軸承 |
| FAG 6202-C3-J22C軸承 | 描述:0.044 kg,單列深溝球軸承 |
| FAG 23236-E1A-M軸承 | 描述:38.5 kg,調心滾子軸承(X-life品質) |
MCGILL軸承推薦
| MCGILL RD12軸承 | 基本尺寸,內徑:1.50000mm,外徑:2.50000mm,厚度:2.37500mm。 |
| MCGILL BCFE1-7/8S軸承 | 基本尺寸,內徑:0.00000mm,外徑:47.63000mm,厚度:25.40000mm。 |
| MCGILL GR16S+MI12軸承 | 基本尺寸,內徑:1.00000mm,外徑:1.50000mm,厚度:1.00000mm。 |
| MCGILL MCFD72軸承 | 基本尺寸,內徑:0.00000mm,外徑:72.00000mm,厚度:29.00000mm。 |
| MCGILL CYRD3-1/2軸承 | 基本尺寸,內徑:1.12500mm,外徑:3.50000mm,厚度:2.00000mm。 |

