NTN BNT209DTUP軸承代號說明
B
N
T
2
0
9
D
T
U
P
BNT:超高速角接觸球軸承
2:尺寸系列:02系列
09:內徑:45 mm
DT:串聯配對, / /
UP:超高精度
BNT:
超高速角接觸球軸承
2:
尺寸系列:02系列
09:
內徑:45 mm
DT:
串聯配對, / /
UP:
超高精度
NTN BNT209DTUP軸承技術規格
| 類型 | 機床主軸軸承 |
| 內孔型式 | 圓柱孔 |
| 材質 | 高碳鉻鋼 |
| 保持架型式 | 機加工 |
| 保持架材質 | 酚醛樹脂 |
| 滾珠材質 | 鋼 |
| 極限轉速-油潤滑 | 15000轉/分鐘 |
| 極限轉速-脂潤滑 | 11000轉/分鐘 |
| 密封型式 | 無 |
| 密封圈材質 | 無 |
| 精度 | 特殊精度 |
| 結構 | 雙列 |
| 系數 | 0.0 |
| 基本額定靜載荷 | 8450 lbf 37500 N 37.50 kN |
| 基本額定動載荷 | 11400 lbf 50500 N 50.50 kN |
| 附件 | 開式 |
| 重量 | 1.786 lb 0.810 kg |
| 應用溫度范圍 | -40 to 250 oF -40 to 120 oC |
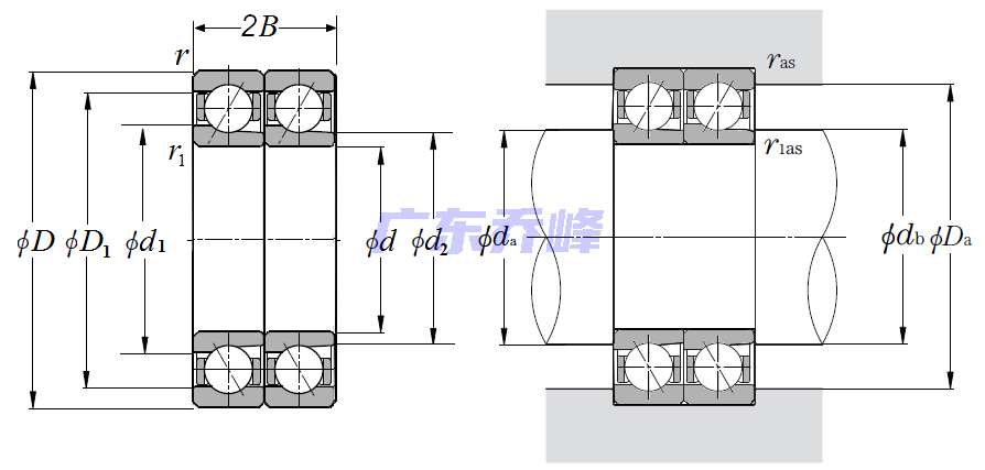
NTN BNT209DTUP軸承尺寸規格
| 電機和車床用雙列角接觸球軸承 - 串聯配對 - 尺寸 | |
| d | 1.7717 in 45.000 mm |
| D | 3.3465 in 85.000 mm |
| B | 0.7480 in 19.000 mm |
| 2B | 1.4961 in 38.000 mm |
| d1 | 2.2559 in 57.300 mm |
| d2 | 2.0433 in 51.900 mm |
| D1 | 2.8740 in 73.000 mm |
| r | 0.0433 in 1.100 mm |
| r1 | 0.0236 in 0.600 mm |
| 接觸角 | 15 o |
| da min | 2.0472 in 52.000 mm |
| db min | 1.9488 in 49.500 mm |
| Da max | 3.0709 in 78.000 mm |
| ras max | 0.0394 in 1.000 mm |
| r1as max | 0.0236 in 0.600 mm |
NTN BNT209DTUP軸承尺寸圖
NTN軸承推薦
| NTN 6228C3軸承 | 描述:軸承型號:6228C3,單列深溝球軸承 - 開式 |
| NTN 1207SL1C3軸承 | 描述:軸承型號:1207L1C3,自調心球軸承 - 圓柱孔 |
| NTN HTA016DB軸承 | 描述:軸承型號:HTA016DB,軸向載荷雙聯角接觸球軸承 - HTA型 |
| NTN CH7002CVDUJ74軸承 | 描述:軸承型號:CH7002CVDUJ74,雙列混合陶瓷角接觸球軸承,高精度 - 萬能平頂軸承 |
| NTN ML71911CVUJ74軸承 | 描述:軸承型號:ML71911CVUJ74,高速單列角接觸球軸承 - 高精度 |
| NTN MU5216L軸承 | 描述:軸承型號:MU5216L,內圈帶滾子帶兩個加強筋 |
| NTN NH215E軸承 | 描述:軸承型號:NH215E,圓柱滾子軸承帶單擋邊內圈帶外圈&滾子組件,斜擋圈 - NH系列 |
| NTN NUP224軸承 | 描述:軸承型號:NUP224,圓柱滾子軸承 -可分離型,短內圈帶一個加強筋,帶側板,外圈帶兩個加強筋 |
| NTN MSN5213EV軸承 | 描述:軸承型號:MSN5213EV,圓柱滾子軸承 -可分離型,短內圈帶一個加強筋,外圈帶兩個加強筋 |
| NTN 24122EMK30D1軸承 | 描述:軸承型號:24122EMK30W33,調心滾子軸承,帶圓錐孔&注油槽 |
進口軸承推薦
| FAG 6203-C-Z-C2-HT2軸承 | 描述:0.065 kg,單列深溝球軸承 |
| NSK 6806DD軸承 | 描述:0.0241 kg,單列深溝球軸承 |
| SKF 22217CCK/W33軸承 | 描述:2.3 kg,調心滾子軸承 |
| FAG 6207-H-2RSR-P6-GQK0-C3軸承 | 描述:0.294 kg, |
| FAG 6315Z52.790191軸承 | 描述:3.02 kg,單列深溝球軸承 |
MCGILL軸承推薦
| MCGILL MR56RSS+MI46軸承 | 基本尺寸,內徑:3.50000mm,外徑:4.50000mm,厚度:2.00000mm。 |
| MCGILL GR20SS+MI16軸承 | 基本尺寸,內徑:1.25000mm,外徑:1.75000mm,厚度:1.25000mm。 |
| MCGILL MR22N+MI18N軸承 | 基本尺寸,內徑:1.37500mm,外徑:1.87500mm,厚度:1.00000mm。 |
| MCGILL ROLLWAY-NJ314EM軸承 | 基本尺寸,內徑:70.00000mm,外徑:150.00000mm,厚度:35.00000mm。 |
| MCGILL CFH3SB軸承 | 基本尺寸,內徑:0.00000mm,外徑:76.20000mm,厚度:44.45000mm。 |

