NTN ASPT205-100-10軸承技術規格
| 類型 | 迷你型框架式軸承座 |
| 軸承類型 | 滾珠軸承 |
| 鎖緊裝置 | 緊定螺釘 |
| 軸承型號 | AS205-100 |
| 性能 | 輕型 |
| 基本額定動載荷 | 3150 lbf 14000 N 14.00 kN |
| 基本額定靜載荷 | 1760 lbf 7850 N 7.85 kN |
| 最大推薦負荷 | 770 lbf 3500 N |
| 極限轉速 | 5900轉/分鐘 |
| 重量 | 2.400 lb 1.100 kg |
| 應用溫度范圍 | -40 to 250 oF -40 to 120 oC |
| 潤滑方式 | 不可再潤滑 |
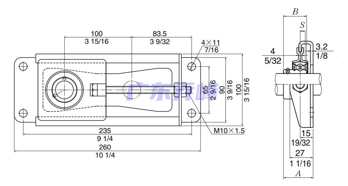
NTN ASPT205-100-10軸承尺寸規格
| 迷你型框架式軸承座,帶緊定螺釘,ASPT型 - 尺寸 | |
| d | 1.0000 in 25.400 mm |
| A | 1.3594 in 34.500 mm |
| B | 1.0630 in 27.000 mm |
| S | 0.2953 in 7.500 mm |
NTN ASPT205-100-10軸承尺寸圖
NTN ASPT205-100-10軸承同尺寸型號
| ASPT205-100-10 | 詳細尺寸,d:25.400mm,b:34.500mm |
| 共計找到1條記錄 | |
NTN ASPT205-100-10軸承相關配件/適用型號
| AS205-100 | 詳細尺寸,d:25.400mm,dD:52.000mm,c:15.000mm,b:27.000mm,r:1.000mm |
NTN軸承推薦
| NTN 6003LLHNRC3軸承 | 描述:軸承型號:6003LLHNRC3,單列深溝球軸承 - 雙面密封(輕接觸橡膠密封)帶止動環 |
| NTN 6006LLBNR軸承 | 描述:軸承型號:6006LLBNR,單列深溝球軸承 - 雙面密封(非接觸式橡膠密封)帶止動環 |
| NTN 6820Z軸承 | 描述:軸承型號:6820Z,單列深溝球軸承 - 單面防塵蓋 |
| NTN BNT008軸承 | 描述:軸承型號:BNT008,電機和車床用單列角接觸球軸承 |
| NTN 7216BL1BG軸承 | 描述:軸承型號:7216BL1BG,單列角接觸球軸承 - 開式 |
| NTN UK218軸承 | 描述:軸承型號:UK218,帶緊定襯套外球面軸承 |
| NTN HH228349/HH228310軸承 | 描述:軸承型號:HH228349/HH228310,圓錐滾子軸承 - 英制系列和J系列 |
| NTN 82950軸承 | 描述:軸承型號:82950,圓錐滾子軸承外圈 - 英制系列和J系列 |
| NTN HM162610軸承 | 描述:軸承型號:HM162610,圓錐滾子軸承外圈 - 英制系列和J系列 |
| NTN NK85/25R軸承 | 描述:軸承型號:NK85/25R,機加工滾針軸承不帶內圈 - RNA49.R,RNA59,RNA69.R,NK.R,MR系列 |
進口軸承推薦
| NTN 6009LU軸承 | 描述:0.239 kg,單列深溝球軸承 |
| INA F698-2Z軸承 | 描述:0.0087 kg,單列深溝球軸承 |
| SKF 6017-ZNR軸承 | 描述:0.894 kg,單列深溝球軸承 |
| NTN 24134C3軸承 | 描述:26.6 kg,調心滾子軸承 |
| FAG 24144BK30軸承 | 描述:64.2 kg,調心滾子軸承 |
MCGILL軸承推薦
| MCGILL MR140+MI120軸承 | 基本尺寸,內徑:8.75000mm,外徑:10.62500mm,厚度:3.00000mm。 |
| MCGILL RS6軸承 | 基本尺寸,內徑:0.75000mm,外徑:1.50000mm,厚度:0.87500mm。 |
| MCGILL MCFR-62A-S-TMS1軸承 | 基本尺寸,內徑:0.00000mm,外徑:62.00000mm,厚度:29.00000mm。 |
| MCGILL SB22219W33YSS軸承 | 基本尺寸,內徑:95.00000mm,外徑:170.00000mm,厚度:43.00000mm。 |
| MCGILL RS8軸承 | 基本尺寸,內徑:1.00000mm,外徑:1.81250mm,厚度:1.06250mm。 |

