NTN ARPL-1軸承技術規格
| 類型 | 軸承座 |
| 軸承類型 | 滾珠軸承 |
| 鎖緊裝置 | 緊定螺釘 |
| 密封型式 | 接觸式 |
| 密封圈材質 | 丁腈橡膠 |
| 軸承型號 | A-AR205-100D1 |
| 軸承座型號 | PL205D1V50 |
| 殼體材質 | 鑄鐵 |
| 殼體鑄造型式 | 一體成型 |
| 端蓋類型 | 開式 |
| 表面涂層 | 黑色氧化物 |
| 性能 | 輕型 |
| 基本額定動載荷 | 3150 lbf 14000 N 14.00 kN |
| 基本額定靜載荷 | 1760 lbf 7850 N 7.85 kN |
| 最大擰緊力矩 | 34磅·英寸 |
| 極限轉速 | 5900轉/分鐘 |
| 重量 | 1.918 lb 0.870 kg |
| 應用溫度范圍 | -40 to 250 oF -40 to 120 oC |
| 潤滑方式 | 可再潤滑 |
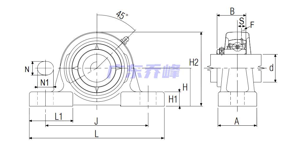
NTN ARPL-1軸承尺寸規格
| 超一流軸承座帶緊定螺釘,中心低,ARPL型 - 尺寸 | |
| d | 1 in 25.400 mm |
| J | 4-1/8 in 104.8 mm |
| L | 5.5000 in 139.7 mm |
| A | 1.5000 in 38.1 mm |
| H | 1-5/16 in 33.3 mm |
| H1 | 0.5938 in 15.1 mm |
| H2 | 2.6875 in 68.3 mm |
| N | 0.4375 in 11.1 mm |
| N1 | 0.8125 in 20.6 mm |
| L1 | 1.6563 in 42.1 mm |
| B | 1.0630 in 27.000 mm |
| S | 0.2953 in 7.500 mm |
| F | 0.1378 in 3.500 mm |
NTN ARPL-1軸承尺寸圖
NTN ARPL-1軸承同尺寸型號
| JELPL-1 | 詳細尺寸,d:25.400mm,h:33.30000mm,b:38.100mm,j:104.800mm,2b:68.300mm,r:139.700mm |
| UELPL-1 | 詳細尺寸,d:25.400mm,h:33.30000mm,b:38.100mm,j:104.800mm,2b:68.300mm,r:139.700mm |
| ARPL-1 | 詳細尺寸,d:25.400mm,h:33.30000mm,b:38.100mm,j:104.800mm,2b:68.300mm,r:139.700mm |
| UCPL-1 | 詳細尺寸,d:25.400mm,h:33.30000mm,b:38.100mm,j:104.800mm,2b:68.300mm,r:139.700mm |
| 共計找到4條記錄 | |
NTN ARPL-1軸承相關配件/適用型號
| A-AR205-100D1 | 詳細尺寸,d:25.400mm,dD:52.000mm,c:15.000mm,b:27.000mm,r:1.000mm |
NTN軸承推薦
| NTN WBC5-10Z軸承 | 描述:軸承型號:WBC5-10Z,單列深溝球軸承 - 單面防塵蓋 |
| NTN 6901ZN軸承 | 描述:軸承型號:6901ZN,單列深溝球軸承 - 單面防塵蓋帶止動環槽 |
| NTN 6302LUN軸承 | 描述:軸承型號:6302LUN,單列深溝球軸承 - 單面密封(接觸式橡膠密封)帶止動環槽 |
| NTN 6202T2Z軸承 | 描述:軸承型號:6202T2Z,單列深溝球軸承 - 單面防塵蓋 |
| NTN 6805JRNRC3軸承 | 描述:軸承型號:6805NRC3,單列深溝球軸承 - 開式帶止動環 |
| NTN 6305CNXRC3軸承 | 描述:軸承型號:6305CNXRC3,單列深溝球軸承 - 開式,帶止動環槽 |
| NTN 6309LLBNC3軸承 | 描述:軸承型號:6309LLBNC3,單列深溝球軸承 - 雙面密封(非接觸式橡膠密封),帶止動環槽 |
| NTN UCX06軸承 | 描述:軸承型號:UCX06,帶緊定螺釘的外球面軸承,寬外圈 - 球面外圈 |
| NTN UELS320-313D1軸承 | 描述:軸承型號:UELS320-313D1,帶偏心鎖緊套的外球面軸承,寬外圈 - 圓柱內徑 |
| NTN MU1205CX軸承 | 描述:軸承型號:MU1205CX,圓柱滾子軸承 -內圈帶兩個加強筋,可分離型,普通外圈 |
進口軸承推薦
| SKF S7010ACE/HCP4ADGA軸承 | 描述:0.5 kg, |
| SKF FPCF400軸承 | 描述:0.082 kg,單列深溝球軸承 |
| SKF 440283軸承 | 描述:0.346 kg,單列深溝球軸承 |
| FAG 6301-Z軸承 | 描述:0.061 kg,深溝球軸承 |
| NSK 24040CE4C3S11軸承 | 描述:31.4 kg,調心滾子軸承 |
MCGILL軸承推薦
| MCGILL ROLLWAY-NJ314EM軸承 | 基本尺寸,內徑:70.00000mm,外徑:150.00000mm,厚度:35.00000mm。 |
| MCGILL CCYR7/8S軸承 | 基本尺寸,內徑:6.35000mm,外徑:22.23000mm,厚度:12.70000mm。 |
| MCGILL CCF1-5/8-SB軸承 | 基本尺寸,內徑:0.00000mm,外徑:41.28000mm,厚度:22.23000mm。 |
| MCGILL SB22308W33YSS軸承 | 基本尺寸,內徑:40.00000mm,外徑:90.00000mm,厚度:33.00000mm。 |
| MCGILL CFH1-3/8S軸承 | 基本尺寸,內徑:0.00000mm,外徑:34.93000mm,厚度:19.05000mm。 |

