NTN AELRPP205-013軸承技術規格
| 類型 | 軸承座 |
| 軸承類型 | 滾珠軸承 |
| 鎖緊裝置 | 偏心鎖緊套 |
| 密封型式 | 接觸式 |
| 密封圈材質 | 丁腈橡膠 |
| 軸承型號 | AEL205-013 |
| 軸承座型號 | PP206 |
| 殼體材質 | 壓制鋼 |
| 殼體鑄造型式 | 一體成型 |
| 端蓋類型 | 開式 |
| 性能 | 輕型 |
| 基本額定動載荷 | 3150 lbf 14000 N 14.00 kN |
| 基本額定靜載荷 | 1760 lbf 7850 N 7.85 kN |
| 建議軸向最大載荷 | 40 lbf 200 N |
| 建議徑向最大載荷 | 280 lbf 1300 N |
| 極限轉速 | 5900轉/分鐘 |
| 重量 | 1.100 lb 0.500 kg |
| 應用溫度范圍 | -40 to 250 oF -40 to 120 oC |
| 潤滑方式 | 不可再潤滑 |
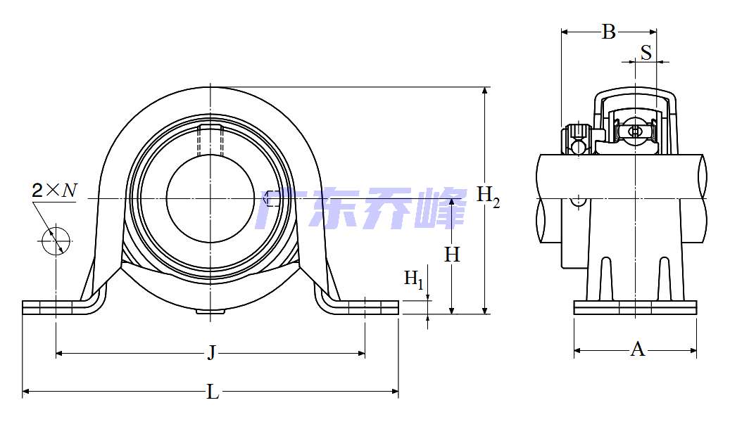
NTN AELRPP205-013軸承尺寸規格
| 軸承座,帶偏心鎖緊套,沖壓鋼外殼,AELRPP型 - 尺寸 | |
| d | 0.9375 in 23.813 mm |
| J | 3.7500 in 95.0 mm |
| L | 4.5937 in 117.0 mm |
| A | 1.5000 in 38.0 mm |
| H | 1.3125 in 33.3 mm |
| H1 | 0.1570 in 4.0 mm |
| H2 | 2.6250 in 66.3 mm |
| N | 0.4531 in 11.5 mm |
| B1 | 1.2205 in 31.000 mm |
| S | 0.2953 in 7.500 mm |
NTN AELRPP205-013軸承尺寸圖
NTN AELRPP205-013軸承同尺寸型號
| UELPL205-015D1 | 詳細尺寸,d:23.813mm,h:33.30000mm,b:38.000mm,j:105.000mm,2b:68.000mm,r:140.000mm |
| AELRPP205-013 | 詳細尺寸,d:23.813mm,h:33.30000mm,b:38.000mm,j:95.000mm,2b:66.300mm,r:117.000mm |
| AELRPP205-015 | 詳細尺寸,d:23.813mm,h:33.30000mm,b:38.000mm,j:95.000mm,2b:66.300mm,r:117.000mm |
| ASPL205-015D1 | 詳細尺寸,d:23.813mm,h:33.30000mm,b:38.000mm,j:105.000mm,2b:68.000mm,r:140.000mm |
| UCPL205-015D1 | 詳細尺寸,d:23.813mm,h:33.30000mm,b:38.000mm,j:105.000mm,2b:68.000mm,r:140.000mm |
| ASRPP205-015 | 詳細尺寸,d:23.813mm,h:33.30000mm,b:38.000mm,j:95.000mm,2b:66.300mm,r:117.000mm |
| 共計找到6條記錄 | |
NTN AELRPP205-013軸承相關配件/適用型號
| AEL205-013 | 詳細尺寸,d:23.813mm,dD:52.000mm,c:15.000mm,b:31.000mm,r:1.000mm |
NTN軸承推薦
| NTN 6300LLHC3軸承 | 描述:軸承型號:6300LLHC3,單列深溝球軸承 - 雙面密封(輕接觸橡膠密封) |
| NTN 6209LLHNR軸承 | 描述:軸承型號:6209LLHNR,單列深溝球軸承 - 雙面密封(輕接觸橡膠密封)帶止動環 |
| NTN 6032LU軸承 | 描述:軸承型號:6032LU,單列深溝球軸承 - 單面密封(接觸式橡膠密封) |
| NTN AC-6304ZZ軸承 | 描述:軸承型號:AC-6304ZZ,AC軸承 - 雙面防塵蓋 |
| NTN 7214CP5軸承 | 描述:軸承型號:7214CP5,單列角接觸球軸承 - 開式 |
| NTN 7205T2P5V9軸承 | 描述:軸承型號:7205T2P5V9,單列角接觸球軸承 - 開式 |
| NTN AR207-107軸承 | 描述:軸承型號:AR207-107,帶緊定螺釘的外球面軸承,狹窄內圈 - 球面外圈 |
| NTN UELS207-105D1NR軸承 | 描述:軸承型號:UELS207-105D1NR,帶偏心鎖緊套的外球面軸承,寬外圈 - 圓柱內徑,帶止動環 |
| NTN 48680D軸承 | 描述:軸承型號:48680D,圓錐滾子軸承內圈 - 英制系列和J系列 |
| NTN NAO-20X37X16軸承 | 描述:軸承型號:NAO-20X37X16,機加工滾針軸承 -可分離型型帶內圈 |
進口軸承推薦
| NSK 6205DDW1CM/NS7軸承 | 描述:0.125 kg,單列深溝球軸承 |
| FAG 6309-B-C3軸承 | 描述:0.839 kg,單列深溝球軸承 |
| FAG 23218-E1A-M-C4軸承 | 描述:4.46 kg,調心滾子軸承(X-life品質) |
| FAG 6000-C-HRS-Z-C3軸承 | 描述:0.018 kg, |
| NSK 6302DDU CM軸承 | 描述:0.082 kg,單列深溝球軸承 |
MCGILL軸承推薦
| MCGILL CCFE-2.1/2-SB軸承 | 基本尺寸,內徑:0.00000mm,外徑:63.50000mm,厚度:38.10000mm。 |
| MCGILL CCF9/16SB軸承 | 基本尺寸,內徑:0.00000mm,外徑:14.29000mm,厚度:9.53000mm。 |
| MCGILL GR20+MI16軸承 | 基本尺寸,內徑:1.25000mm,外徑:1.75000mm,厚度:1.25000mm。 |
| MCGILL MCFR-62A-S-TMS1軸承 | 基本尺寸,內徑:0.00000mm,外徑:62.00000mm,厚度:29.00000mm。 |
| MCGILL MR56N+MI48N軸承 | 基本尺寸,內徑:3.50000mm,外徑:4.50000mm,厚度:1.75000mm。 |

