NTN 5S-HSB918CDTP2軸承代號說明
5
S
-
H
S
B
9
1
8
C
D
T
P
2
5S-:陶瓷球軸承
HSB:超高速角接觸球軸承.HSB型
9:尺寸系列:19系列
18:內徑:90 mm
C:接觸角 15o
DT:串聯配對, / /
P2:P2級精度
5S-:
陶瓷球軸承
HSB:
超高速角接觸球軸承.HSB型
9:
尺寸系列:19系列
18:
內徑:90 mm
C:
接觸角 15o
DT:
串聯配對, / /
P2:
P2級精度
NTN 5S-HSB918CDTP2軸承技術規格
| 類型 | 角接觸球軸承 |
| 內孔型式 | 圓柱孔 |
| 材質 | 高碳鉻鋼 |
| 保持架型式 | 分層型 |
| 保持架材質 | 酚醛樹脂 |
| 滾珠材質 | 陶瓷 |
| 精度 | ISO Class 2 |
| 結構 | 雙列 |
| 基本額定靜載荷 | 7850 lbf 35000 N 35.00 kN |
| 基本額定動載荷 | 7650 lbf 34000 N 34.00 kN |
| 附件 | 開式 |
| 重量 | 2.544 lb 1.154 kg |
| 應用溫度范圍 | -40 to 250 oF -40 to 120 oC |
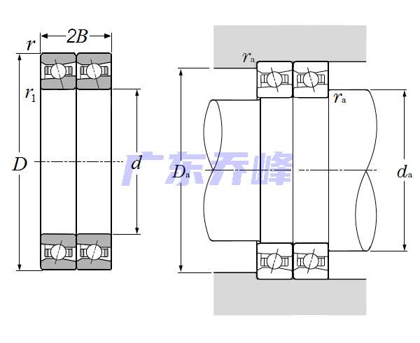
NTN 5S-HSB918CDTP2軸承尺寸規格
| 超高速雙聯角接觸球軸承,串聯配對 - 尺寸 | |
| d | 3.5433 in 90.000 mm |
| D | 4.9213 in 125.000 mm |
| B | 0.7087 in 18.000 mm |
| 2B | 1.4173 in 36.000 mm |
| r | 0.0433 in 1.100 mm |
| r1 | 0.0236 in 0.600 mm |
| 接觸角 | 15 o |
| da min | 3.8189 in 97.000 mm |
| Da max | 4.6457 in 118.000 mm |
| ras max | 0.0394 in 1.000 mm |
NTN 5S-HSB918CDTP2軸承尺寸圖
NTN軸承推薦
| NTN FLBC5-10軸承 | 描述:軸承型號:FLBC5-10,單列深溝球軸承 - 開式帶法蘭 |
| NTN 6204LLB/LP03軸承 | 描述:軸承型號:6204LLB/LP03,單列深溝球軸承 - 雙面密封(非接觸式橡膠密封) |
| NTN 6016LLBN軸承 | 描述:軸承型號:6016LLBN,單列深溝球軸承 - 雙面密封(非接觸式橡膠密封),帶止動環槽 |
| NTN UCX14-212D1軸承 | 描述:軸承型號:UCX14-212D1,帶緊定螺釘的外球面軸承,寬外圈 - 球面外圈 |
| NTN 581/572軸承 | 描述:軸承型號:581/572,圓錐滾子軸承 - 英制系列和J系列 |
| NTN HH221447/JHH221413軸承 | 描述:軸承型號:HH221447/JHH221413,圓錐滾子軸承 - 英制系列和J系列 |
| NTN 3774軸承 | 描述:軸承型號:3774,圓錐滾子軸承內圈 - 英制系列和J系列 |
| NTN M1215TL軸承 | 描述:軸承型號:M1215TL,帶保持架和滾子的外圈,兩個擋圈 |
| NTN MA1926EL軸承 | 描述:軸承型號:MA1926EL,圓柱滾子軸承 -可分離型,普通內圈,外圈帶兩個加強筋 |
| NTN 23032EMKD1C3軸承 | 描述:軸承型號:23032EMKW33C3,調心滾子軸承,帶圓錐孔&注油槽 |
進口軸承推薦
| NTN 6205 2RS軸承 | 描述:0.125 kg,單列深溝球軸承 |
| FAG 6205.2RS.C3軸承 | 描述:0.125 kg,單列深溝球軸承 |
| KOYO 623 2RS軸承 | 描述:0.0015 kg,單列深溝球軸承 |
| FAG 6204.2ZR.C3.L12軸承 | 描述:0.107 kg,單列深溝球軸承 |
| INA 7007BE-TVP軸承 | 描述:0.14 kg, 單列角接觸球軸承 |
MCGILL軸承推薦
| MCGILL CFE4SB軸承 | 基本尺寸,內徑:0.00000mm,外徑:101.60000mm,厚度:57.15000mm。 |
| MCGILL MCFR-47-SBX-BHT1軸承 | 基本尺寸,內徑:0.00000mm,外徑:47.00000mm,厚度:24.00000mm。 |
| MCGILL BCCFE1-1/2SB軸承 | 基本尺寸,內徑:0.00000mm,外徑:38.10000mm,厚度:22.23000mm。 |
| MCGILL GR96N+MI80N軸承 | 基本尺寸,內徑:6.00000mm,外徑:7.50000mm,厚度:2.50000mm。 |
| MCGILL BCYR4S軸承 | 基本尺寸,內徑:31.75000mm,外徑:101.60000mm,厚度:57.15000mm。 |

