NMB R-1760X2KKW09TP1MNP502LY121軸承尺寸、參數與圖紙
| 基本尺寸 (mm) | |
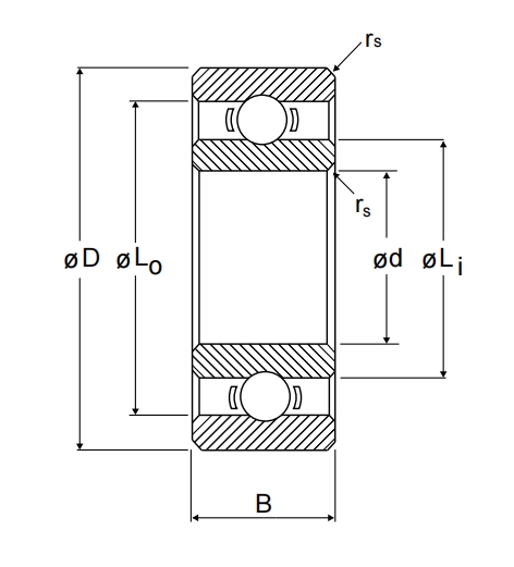
| 軸承內徑 d | 6 |
| 軸承外徑 D | 17 |
| 開式軸承厚度 B | 6 |
| 密封型軸承厚度 B | 6 |
| 倒角半徑 rs(min) | 0.3 |
| 基本尺寸 (in) | |
| 軸承內徑 d | 0.2362 |
| 軸承外徑 D | 0.6693 |
| 開式軸承厚度 B | 0.2362 |
| 密封型軸承厚度 B | 0.2362 |
| 倒角半徑 rs(min) | 0.012 |
| 安裝尺寸 (mm) | |
| 開式軸承外圈內徑 Lo | 14.7 |
| 開式軸承內圈外徑 Li | 8.22 |
| 密封式軸承外圈內徑 Lo | 14.7 |
| 密封式軸承內圈外徑 Li | 8.22 |
| 載荷(N) | |
| 基本動載荷 | 2265 |
| 基本靜載荷 | 839 |
| 滾珠參數 | |
| 數量 Z | 6 |
| 直徑(mm) Dw | 3.5 |
| 其他參數 | |
| ISO/JIS 標準代號 | 606 |
微型軸承推薦
| NSK MF63ZZMC3 NS7L5 軸承 | 基本尺寸,內徑:3.00000mm,外徑:6.00000mm,厚度:2.00000mm。 |
| NMB DDL-1150ZZY04RP0P25 LO1軸承 | 基本尺寸,內徑:5.00000mm,外徑:11.00000mm,厚度:4.00000mm。 |
| EZO SMR62ZZ軸承 | 基本尺寸,內徑:2.00000mm,外徑:6.00000mm,厚度:2.50000mm。 |
| NSK MF105ZZMC3 NS7L5軸承 | 基本尺寸,內徑:5.00000mm,外徑:10.00000mm,厚度:3.00000mm。 |
| NSK 682XU-H-MC3軸承 | 基本尺寸,內徑:2.50000mm,外徑:6.00000mm,厚度:1.80000mm。 |
FAG軸承推薦
| FAG NU226-E-XL-M1-C4軸承 | FAG NU226-E-XL-M1-C4軸承,市場價:¥5206.57元,當前庫存2套,添加時間:2023-08-19 09:52:17 |
| FAG NU322-E-XL-M1A-R95-115NA軸承 | FAG NU322-E-XL-M1A-R95-115NA軸承,市場價:¥1942.50元,當前庫存58套,添加時間:2023-08-19 09:43:14 |
| FAG 6308-C-2HRS-L138-CM軸承 | FAG 6308-C-2HRS-L138-CM軸承,市場價:¥52.40元,當前庫存465套,添加時間:2023-08-15 16:18:37 |
| FAG 6044-M軸承 | FAG 6044-M軸承,市場價:¥2730.00元,當前庫存5套,添加時間:2023-08-17 11:50:22 |
| FAG S6203-2RSR-W203B軸承 | FAG S6203-2RSR-W203B軸承,市場價:¥133.86元,當前庫存9套,添加時間:2023-08-15 21:43:48 |
IKO軸承推薦
| IKO TLA2220UU軸承 | 基本尺寸,內徑:22.00000mm,外徑:28.00000mm,厚度:20.00000mm。 |
| IKO YBH1612軸承 | 基本尺寸,內徑:25.40000mm,外徑:33.33800mm,厚度:19.05000mm。 |
| IKO NAF173013軸承 | 基本尺寸,內徑:17.00000mm,外徑:30.00000mm,厚度:13.00000mm。 |
| IKO GE17GS-2RS軸承 | 基本尺寸,內徑:17.00000mm,外徑:35.00000mm,厚度:20.00000mm。 |
| IKO NAX5035Z軸承 | 基本尺寸,內徑:50.00000mm,外徑:70.00000mm,厚度:35.00000mm。 |

