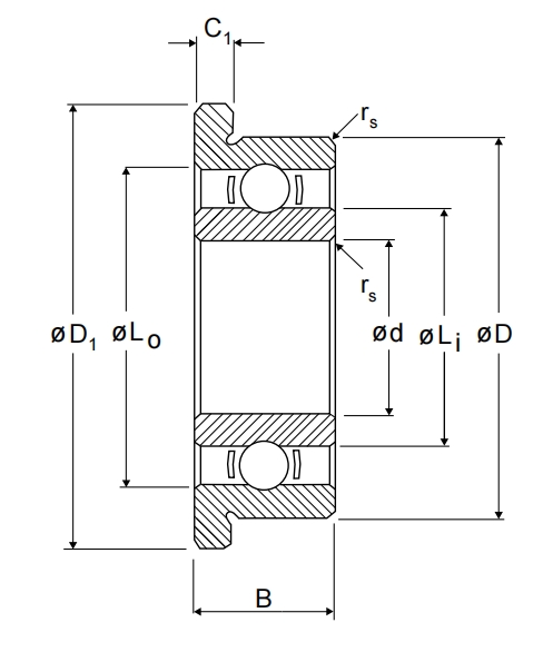
NMB DDRF-2ZZ軸承尺寸、參數與圖紙
| 基本尺寸 (mm) | |
| 軸承內徑 d | 3.175 |
| 軸承外徑 D | 9.525 |
| 軸承厚度 B | 3.967 |
| 密封型軸承厚度 B | 3.967 |
| 倒角半徑 rs(min) | 0.3 |
| 法蘭外徑 D1 | 11.18 |
| 開式軸承法蘭厚度 C1 | 0.76 |
| 密封式軸承法蘭厚度 C1 | 0.76 |
| 基本尺寸 (in) | |
| 軸承內徑 d | 0.125 |
| 軸承外徑 D | 0.375 |
| 開式軸承厚度 B | 0.1562 |
| 密封型軸承厚度 B | 0.1562 |
| 倒角半徑 rs(min) | 0.012 |
| 法蘭外徑 D1 | 0.44 |
| 開式軸承法蘭厚度 C1 | 0.03 |
| 密封式軸承法蘭厚度 C1 | 0.03 |
| 安裝尺寸 (mm) | |
| 開式軸承外圈內徑 Lo | 0.301 |
| 開式軸承內圈外徑 Li | 0.2 |
| 密封式軸承外圈內徑 Lo | 0.322 |
| 密封式軸承內圈外徑 Li | 0.2 |
| 載荷(N) | |
| 基本動載荷 | 641 |
| 基本靜載荷 | 226 |
| 滾珠參數 | |
| 數量 Z | 7 |
| 直徑(mm) Dw | 1.5875 |
微型軸承推薦
| NMB DDRI-418ZZHA3P13LO1軸承 | 基本尺寸,內徑:3.17500mm,外徑:6.35000mm,厚度:2.38000mm。 |
| EZO F2X-7軸承 | 基本尺寸,內徑:2.50000mm,外徑:7.00000mm,厚度:3.50000mm。 |
| EZO SER1038ZZ軸承 | 基本尺寸,內徑:9.52500mm,外徑:15.87500mm,厚度:3.96700mm。 |
| EZO 6814-2RS軸承 | 基本尺寸,內徑:70.00000mm,外徑:90.00000mm,厚度:10.00000mm。 |
| EZO SMR62ZZ軸承 | 基本尺寸,內徑:2.00000mm,外徑:6.00000mm,厚度:2.50000mm。 |
FAG軸承推薦
| FAG 16036-C3軸承 | FAG 16036-C3軸承,市場價:¥934.50元,當前庫存20套,添加時間:2023-08-17 11:46:11 |
| FAG 6236-M-J20AA軸承 | FAG 6236-M-J20AA軸承,市場價:¥3630.90元,當前庫存10套,添加時間:2023-08-17 15:28:15 |
| FAG 7311-B-XL-MP-UA軸承 | FAG 7311-B-XL-MP-UA軸承,市場價:¥1014.59元,當前庫存90套,添加時間:2023-08-17 17:09:28 |
| FAG 32303-A軸承 | FAG 32303-A軸承,市場價:¥68.25元,當前庫存480套,添加時間:2023-08-19 14:26:57 |
| FAG 7307-B-XL-TVP-UA軸承 | FAG 7307-B-XL-TVP-UA軸承,市場價:¥175.35元,當前庫存320套,添加時間:2023-08-17 20:01:25 |
IKO軸承推薦
| IKO BAM78軸承 | 基本尺寸,內徑:11.11200mm,外徑:15.87500mm,厚度:12.70000mm。 |
| IKO NBX1725Z軸承 | 基本尺寸,內徑:17.00000mm,外徑:30.00000mm,厚度:25.00000mm。 |
| IKO BHAM1614軸承 | 基本尺寸,內徑:25.40000mm,外徑:33.33800mm,厚度:22.22000mm。 |
| IKO CF10-1G軸承 | 基本尺寸,內徑:10.00000mm,外徑:26.00000mm,厚度:12.00000mm。 |
| IKO CRY16VUU軸承 | 基本尺寸,內徑:7.93800mm,外徑:25.40000mm,厚度:17.46300mm。 |

