NMB 635DDSD07M3SMLY551T軸承尺寸、參數與圖紙
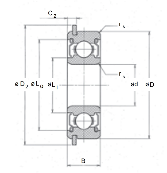
| 基本尺寸 (mm) | |
| 軸承內徑 d | 5 |
| 軸承外徑 D | 19 |
| 軸承厚度 B | 6 |
| 倒角半徑 rs(min) | 0.3 |
| 基本尺寸 (in) | |
| 軸承內徑 d | 0.1969 |
| 軸承外徑 D | 0.748 |
| 開式軸承厚度 B | 0.2362 |
| 倒角半徑 rs(min) | 0.012 |
| 安裝尺寸 (mm) | |
| 止動環外徑 D2 | - |
| 止動環邊距 C2 | - |
| 軸承外圈內徑 Lo | 16.68 |
| 軸承內圈外徑 Li | 9.2 |
| 載荷(N) | |
| 基本動載荷 | 2614 |
| 基本靜載荷 | 1053 |
| 滾珠參數 | |
| 數量 Z | 7 |
| 直徑(mm) Dw | 3.5 |
| 其他參數 | |
| ISO/JIS 標準代號 | 635 |
微型軸承推薦
| EZO 63805-2RS軸承 | 基本尺寸,內徑:25.00000mm,外徑:37.00000mm,厚度:10.00000mm。 |
| EZO SMR52ZZ AG5軸承 | 基本尺寸,內徑:2.00000mm,外徑:5.00000mm,厚度:2.00000mm。 |
| NSK SR166T2ZZS*MC3EMP2 NS7L軸承 | 基本尺寸,內徑:4.76200mm,外徑:9.52500mm,厚度:3.17500mm。 |
| NMB DDR-2280HHRP0P25 LY121軸承 | 基本尺寸,內徑:8.00000mm,外徑:22.00000mm,厚度:7.00000mm。 |
| EZO 638-2RS軸承 | 基本尺寸,內徑:8.00000mm,外徑:28.00000mm,厚度:9.00000mm。 |
FAG軸承推薦
| FAG NJ2313-E-XL-TVP2軸承 | FAG NJ2313-E-XL-TVP2軸承,市場價:¥1223.92元,當前庫存9套,添加時間:2023-08-18 21:53:23 |
| FAG 241/600-B-K30-MB-C3#E軸承 | FAG 241/600-B-K30-MB-C3#E軸承,市場價:¥225945.90元,當前庫存1套,添加時間:2023-08-20 19:08:07 |
| FAG 3205-BD-XL-2HRS-TVH軸承 | FAG 3205-BD-XL-2HRS-TVH軸承,市場價:¥103.95元,當前庫存361套,添加時間:2023-08-17 19:27:57 |
| FAG 30226-XL-DF-A250-300軸承 | FAG 30226-XL-DF-A250-300軸承,市場價:¥5208.00元,當前庫存4套,添加時間:2023-08-19 13:43:24 |
| FAG 6028-2Z-C3軸承 | FAG 6028-2Z-C3軸承,市場價:¥735.00元,當前庫存2套,添加時間:2023-08-17 11:37:37 |
IKO軸承推薦
| IKO RNAF607820軸承 | 基本尺寸,內徑:60.00000mm,外徑:78.00000mm,厚度:20.00000mm。 |
| IKO RNA4906UU軸承 | 基本尺寸,內徑:35.00000mm,外徑:47.00000mm,厚度:17.00000mm。 |
| IKO CR8-1VBSR軸承 | 基本尺寸,內徑:4.82600mm,外徑:12.70000mm,厚度:9.52500mm。 |
| IKO GE260GS-2RS軸承 | 基本尺寸,內徑:260.00000mm,外徑:400.00000mm,厚度:205.00000mm。 |
| IKO TAF607225軸承 | 基本尺寸,內徑:60.00000mm,外徑:72.00000mm,厚度:25.00000mm。 |

