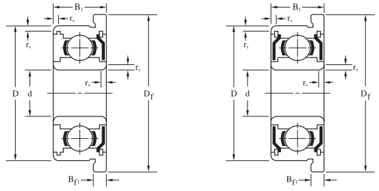
EZO R3AZZ軸承尺寸、參數與圖紙
| 基本尺寸 (in) | |
| 軸承內徑 B | 0.1875 |
| 軸承外徑 D | 0.625 |
| 法蘭外徑 Df | - |
| 倒角半徑 rs(min) | 0.0118 |
| 開式軸承厚度 B | 0.196 |
| 開式軸承法蘭厚度 Bf | - |
| 密封軸承厚度 B1 | 0.196 |
| 密封軸承法蘭厚度 Bf1 | - |
| 重量(g) | |
| 開式 | 4.75 |
| 開式帶法蘭 | - |
| 密封型 | 5.08 |
| 密封型帶法蘭 | - |
| 載荷(N) | |
| 基本動載荷 | 1480 |
| 基本靜載荷 | 621 |
| 極限轉速(rpm) | |
| 脂潤滑 | 38000 |
| 油潤滑 | 45000 |
| 滾珠參數 | |
| 數量 Z | 8 |
| 尺寸 Dw | 0.0937 |
微型軸承推薦
| SKF 16100-2Z軸承 | 基本尺寸,內徑:10.00000mm,外徑:28.00000mm,厚度:8.00000mm。 |
| EZO SS692XZZ軸承 | 基本尺寸,內徑:2.50000mm,外徑:7.00000mm,厚度:2.50000mm。 |
| EZO SS683ZZ AF2軸承 | 基本尺寸,內徑:3.00000mm,外徑:7.00000mm,厚度:2.00000mm。 |
| EZO SS6907-2RS軸承 | 基本尺寸,內徑:35.00000mm,外徑:55.00000mm,厚度:10.00000mm。 |
| EZO F608H.2RS軸承 | 基本尺寸,內徑:8.00000mm,外徑:22.00000mm,厚度:7.00000mm。 |
FAG軸承推薦
| FAG N326-E-XL-M1-C3軸承 | FAG N326-E-XL-M1-C3軸承,市場價:¥1918.30元,當前庫存27套,添加時間:2023-08-21 21:33:04 |
| FAG B7011-C-T-P4S-UL軸承 | FAG B7011-C-T-P4S-UL軸承,市場價:¥661.51元,當前庫存77套,添加時間:2023-08-21 13:17:18 |
| FAG 6005-C-2HRS>V軸承 | FAG 6005-C-2HRS>V軸承,市場價:¥23.44元,當前庫存10248套,添加時間:2023-08-16 21:15:31 |
| FAG 23936-S-K-MB-C3軸承 | FAG 23936-S-K-MB-C3軸承,市場價:¥6416.51元,當前庫存3套,添加時間:2023-08-20 18:23:01 |
| FAG 240/600-BEA-XL-MB1軸承 | FAG 240/600-BEA-XL-MB1軸承,市場價:¥71662.50元,當前庫存5套,添加時間:2023-08-20 10:59:30 |
IKO軸承推薦
| IKO TAFI253820軸承 | 基本尺寸,內徑:25.00000mm,外徑:38.00000mm,厚度:20.00000mm。 |
| IKO AZ16027039軸承 | 基本尺寸,內徑:160.00000mm,外徑:270.00000mm,厚度:39.00000mm。 |
| IKO LHS16軸承 | 基本尺寸,內徑:16.00000mm,外徑:40.00000mm,厚度:15.00000mm。 |
| IKO BA268ZOH軸承 | 基本尺寸,內徑:41.27500mm,外徑:50.80000mm,厚度:12.70000mm。 |
| IKO YB2610/MF3軸承 | 基本尺寸,內徑:41.27500mm,外徑:50.80000mm,厚度:15.88000mm。 |

