SNFA SEA20-7CE1-TDM軸承尺寸、參數與圖紙
| SNFA軸承基本代號 | |
| SEA-20-7CE1 | |
| 外形尺寸 (mm) | |
| 軸承內徑 d | 20 |
| 軸承外徑 D | 32 |
| 軸承厚度 B | 7 |
| 倒角半徑 r1,2.min | 0.3 |
| 倒角半徑 r3,4.min | 0.15 |
| 主要尺寸 (mm) | |
| 軸承內徑 d | 20 |
| 內圈外徑 d1 ≈ | 24.1 |
| 外圈內徑 D1 ≈ | 28.1 |
| 倒角半徑 r1,2.min | 0.3 |
| 倒角半徑 r3,4.min | 0.15 |
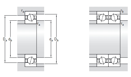
| 擋肩和倒角尺寸 (mm) | |
| 內圈擋肩 da.min,db.min | 22 |
| 外圈擋肩 Da.max | 30 |
| 外圈擋肩 Db.max | 31.2 |
| 倒角半徑 ra.max | 0.3 |
| 倒角半徑 rb.max | 0.15 |
| 極限轉速-單列(r/min) | |
| 脂潤滑 | 45000 |
| 油潤滑 | 70000 |
| 極限轉速-組合(r/min) | |
| 脂潤滑 | 45000 |
| 油潤滑 | 70000 |
| 額定載荷(kN) | |
| 額定動載荷 C | 3.9 |
| 額定靜載荷 Co | 2.65 |
| 疲勞極限載荷 Pu | 0.112 |
| 其他參數 | |
| 計算系數 fo | 16 |
| 作用點位置 a | 7 mm |
| 參考重量 | 0.018 kg |
| 相關產品推薦 | |||
| 型號 | 市場價 | 喬峰價 | 庫存 |
| 71804CDGA/P4軸承 | ¥1327.3元 | 電話咨詢 | 10 |
| 71804CD/P4ATBTB軸承 | ¥5050.5元 | 電話咨詢 | 1 |
| 71804CD/HCP4DGA軸承 | ¥3644.55元 | 電話咨詢 | 10 |
| 71804ACDGA/P4軸承 | ¥2729.18元 | 電話咨詢 | 6 |
| 71804ACDGB/P4軸承 | ¥2530.61元 | 電話咨詢 | 1 |
角接觸球軸承推薦
| NTN HTA922ADB/G016P4L軸承 | 基本尺寸,內徑:110.00000mm,外徑:150.00000mm,厚度:36.00000mm。 |
| HRB 71918CTA/P4DBB軸承 | 基本尺寸,內徑:90.00000mm,外徑:125.00000mm,厚度:18.00000mm。 |
| TIMKEN 2MV9305WICRSUL軸承 | 基本尺寸,內徑:25.00000mm,外徑:42.00000mm,厚度:9.00000mm。 |
| NTN 7301BDBPX2V4軸承 | 基本尺寸,內徑:12.00000mm,外徑:37.00000mm,厚度:12.00000mm。 |
| FAFNIR MM9117WIDUM軸承 | 基本尺寸,內徑:85.00000mm,外徑:130.00000mm,厚度:22.00000mm。 |
FAG軸承推薦
| FAG 1309-K-TVH-C3軸承 | FAG 1309-K-TVH-C3軸承,市場價:¥186.90元,當前庫存73套,添加時間:2023-08-18 12:24:30 |
| FAG 23220-E1A-XL-K-M-C4軸承 | FAG 23220-E1A-XL-K-M-C4軸承,市場價:¥1497.32元,當前庫存20套,添加時間:2023-08-20 11:59:48 |
| FAG 32022-X-XL-DF-A90-130軸承 | FAG 32022-X-XL-DF-A90-130軸承,市場價:¥2505.63元,當前庫存2套,添加時間:2023-08-19 21:33:37 |
| FAG 7218B-XL-TVP-UO軸承 | FAG 7218B-XL-TVP-UO軸承,市場價:¥873.81元,當前庫存89套,添加時間:2023-08-17 22:00:06 |
| FAG 241/600-B-K30-MB-C3#E軸承 | FAG 241/600-B-K30-MB-C3#E軸承,市場價:¥225945.90元,當前庫存1套,添加時間:2023-08-20 19:08:07 |
IKO軸承推薦
| IKO RNAFW557240軸承 | 基本尺寸,內徑:55.00000mm,外徑:72.00000mm,厚度:40.00000mm。 |
| IKO NAFW507840軸承 | 基本尺寸,內徑:50.00000mm,外徑:78.00000mm,厚度:40.00000mm。 |
| IKO CFKR35UU軸承 | 基本尺寸,內徑:16.00000mm,外徑:35.00000mm,厚度:18.00000mm。 |
| IKO GE100GS-2RS軸承 | 基本尺寸,內徑:100.00000mm,外徑:160.00000mm,厚度:85.00000mm。 |
| IKO TAF51010軸承 | 基本尺寸,內徑:5.00000mm,外徑:10.00000mm,厚度:10.00000mm。 |

